Komatsu Skid Steer Loader SK1026 turbo Repair Service Manuals
Catalog:
Model:
Complete service repair manual with Electrical Wiring Diagrams for Komatsu Skid Steer Loader SK1026-5 turbo, with all the technical information to maintain, diagnose, repair, and rebuild like professional mechanics.
Komatsu Skid Steer Loader SK1026-5 turbo workshop service repair manual includes:
* Numbered table of contents easy to use so that you can find the information you need fast.
* Detailed sub-steps expand on repair procedure information
* Numbered instructions guide you through every repair procedure step by step.
* Troubleshooting and electrical service procedures are combined with detailed wiring diagrams for ease of use.
* Notes, cautions and warnings throughout each chapter pinpoint critical information.
* Bold figure number help you quickly match illustrations with instructions.
* Detailed illustrations, drawings and photos guide you through every procedure.
* Enlarged inset helps you identify and examine parts in detail.
PRODUCT DETAILS:
Total Pages: 516 pages
File Format: PDF
Language: English
WEAM006800 - Skid Steer Loader SK1026-5 turbo Operation & Maintenance Manual.pdf
WEBM006000 - Skid Steer Loader SK1026-5 turbo Shop Manual.pdf
MAIN SECTIONS
WEAM006800 - Skid Steer Loader SK1026-5 turbo Operation & Maintenance Manual....2
COVER....2
FOREWORD....3
1.1 FOREWORD....3
1.2 INFORMATION ON SAFETY....5
1.3 INTRODUCTION....7
1.3.1 INTENDED USES....7
1.3.2 IMPROPER OR UNAUTHORIZED USES....7
1.3.3 MAIN CHARACTERISTICS....7
1.3.4 RUNNING-IN....8
1.4 PRODUCT IDENTIFICATION....9
1.4.1 MACHINE SERIAL NUMBER....9
1.4.2 MACHINE IDENTIFICATION PLATE AND PRODUCT IDENTIFICATION NUMBER (PIN)....9
1.4.3 ENGINE SERIAL NUMBER AND EXHAUST GAS EMISSION PLATE....10
1.4.4 TRAVEL REDUCTION GEAR SERIAL NUMBER....10
1.4.5 CAB SERIAL NUMBER....10
1.4.6 BACKHOE IDENTIFICATION PLATE (if installed)....10
1.4.7 SERIAL NUMBERS AND DISTRIBUTORS ADDRESS....11
TABLE OF CONTENTS....13
SAFETY AND ACCIDENT PREVENTION....19
2.1 SAFETY AND WARNING DECALS....20
2.1.1 LOCATION OF THE SAFETY DECALS....20
2.1.2 LOCATION OF THE PICTOGRAM DECALS....35
2.1.3 PICTOGRAMS AND RELEVANT MEANINGS....39
2.1.4 VIBRATIONS TO WHICH THE OPERATOR IS SUBJECTED....41
2.2 GENERAL PRECAUTIONS....42
2.2.1 GENERAL SAFETY RULES....42
2.2.2 SAFETY DEVICES AND GUARDS....42
2.2.3 CLOTHING AND PERSONAL PROTECTION ITEMS....42
2.2.4 UNAUTHORIZED MODIFICATIONS....43
2.2.5 LEAVING THE OPERATORS SEAT....43
2.2.6 GETTING ON AND OFF THE MACHINE....44
2.2.7 CHECKING THE REAR-VIEW MIRRORS (if installed)....44
2.2.8 PREVENTING FIRES DUE TO FUEL AND OIL....45
2.2.9 PREVENTING BURNS....45
2.2.10 PREVENTING DAMAGE DUE TO ASBESTOS POWDER....46
2.2.11 PREVENTING DAMAGE CAUSED BY THE WORK EQUIPMENT....46
2.2.12 FIRE EXTINGUISHERS AND FIRST AID KIT....47
2.2.13 PRECAUTIONS CONCERNING THE CAB STRUCTURE....47
2.2.14 PRECAUTIONS CONCERNING THE EQUIPMENT....47
2.3 PRECAUTIONS TO BE TAKEN BEFORE STARTING THE ENGINE....48
2.3.1 SAFETY ON THE WORK SITE....48
2.3.2 FIRE PREVENTION....48
2.3.3 PRECAUTIONS TO BE TAKEN FOR THE OPERATOR'S CAB....48
2.3.4 ROOM VENTILATION....49
2.3.5 PRECAUTIONS TO BE TAKEN FOR THE LIGHTS....49
2.3.6 CLEANING THE WINDOWS AND THE REAR-VIEW MIRRORS - CHECKING THE WINDSHIELD WIPER BLADES (if installed)....49
2.4 PRECAUTIONS TO BE TAKEN WHEN WORKING....50
2.4.1 STARTING THE ENGINE....50
2.4.2 CHECKS FOR TRAVELING IN REVERSE....50
2.4.3 MOVING THE MACHINE....51
2.4.4 WORKING ON SLOPES....51
2.4.5 PREVENTING ELECTROCUTION....53
2.4.6 VISIBILITY....54
2.4.7 WORKING ON ICY OR SNOW-COVERED SURFACES....54
2.4.8 PREVENTING DAMAGE CAUSED BY THE WORK EQUIPMENT....54
2.4.9 WORKING ON LOOSE GROUND....54
2.4.10 PARKING THE MACHINE....55
2.5 TRANSPORTING THE MACHINE ON OTHER VEHICLES....56
2.5.1 LOADING AND UNLOADING THE MACHINE....56
2.5.2 THE ROUTE....56
2.6 BATTERY....57
2.6.1 SAFETY PRECAUTIONS FOR WORK ON BATTERIES....57
2.6.2 STARTING WITH BOOSTER CABLES....57
2.7 PRECAUTIONS FOR EMERGENCY RECOVERY....58
2.8 PRECAUTIONS TO BE TAKEN DURING MAINTENANCE....60
2.8.1 WARNING TAGS....60
2.8.2 TOOLS....60
2.8.3 PERSONNEL....61
2.8.4 EQUIPMENT....61
2.8.5 WORKING UNDER THE MACHINE....61
2.8.6 KEEPING THE MACHINE CLEAN....61
2.8.7 USE OF THE ENGINE DURING MAINTENANCE....62
2.8.8 PERIODICAL CHANGE OF THE PARTS THAT ARE CRITICAL FOR SAFETY....62
2.8.9 STOP THE ENGINE BEFORE CARRYING OUT ANY MAINTENANCE OPERATION OR INSPECTION....62
2.8.10 RULES FOR REFUELLING AND ADDING OIL....63
2.8.11 CHECKING THE COOLANT LEVEL IN THE RADIATOR....63
2.8.12 USING LAMPS....63
2.8.13 PRECAUTIONS CONCERNING THE BATTERY AND THE ALTERNATOR....64
2.8.14 PRECAUTIONS CONCERNING THE STARTER....64
2.8.15 PRECAUTIONS CONCERNING HIGH-PRESSURE HOSES....65
2.8.16 PRECAUTIONS TO BE TAKEN WHEN WORKING ON HIGH-PRESSURE SYSTEMS....65
2.8.17 PRECAUTIONS FOR MAINTENANCE WORK INVOLVING HIGH TEMPERATURES AND PRESSURES....65
2.8.18 COOLING FAN AND FAN BELT....66
2.8.19 WASTE MATERIALS....66
2.8.20 PRECAUTIONS TO BE TAKEN WHEN INFLATING THE TIRES....66
2.8.21 PRECAUTIONS TO BE TAKEN WHEN USING THE SYNTHETIC BIODE GRADABLE OIL TYPE HEES....67
THE MACHINE AND ITS OPERATION....69
3.1 SAFETY LOCKS....70
3.1.1 LOADER ARM SUPPORT....70
3.1.2 BACKHOE LOCKS (if installed)....72
3.1.3 COLD PLANER LOCKS (if installed)....74
3.2 GENERAL VIEWS....75
3.2.1 FRONT GENERAL VIEW....75
3.2.2 REAR GENERAL VIEW....76
3.2.3 CAB INSIDE GENERAL VIEW....77
3.3 INSTRUMENTS AND CONTROLS....79
3.3.1 INSTRUMENTS....79
3.3.2 INDICATOR LIGHTS....81
3.3.3 SWITCHES AND PUSH BUTTONS....86
3.3.4 ELECTRICAL ACCESSORIES....91
3.3.5 MACHINE CONTROLS....93
3.4 FUSES AND RELAYS....115
3.4.1 MACHINE FUNCTION FUSES....115
3.4.2 MAIN FUSE....116
3.4.3 RELAYS....117
3.5 GUARDS AND OPERATORS SEAT....119
3.5.1 ENGINE HOOD....119
3.5.2 REAR PANEL....120
3.5.3 CAB....121
3.5.3.1 TILTING THE CAB....122
3.5.4 STANDARD SEAT....124
3.5.5 CUSHIONED SEAT....124
3.5.6 SEAT BELT....125
3.5.7 EMERGENCY EXIT....125
3.5.8 TECHNICAL DOCUMENTATION CASE....126
3.5.9 FIRE EXTINGUISHER....126
3.5.10 FIRST AID KIT....126
3.6 USE OF THE MACHINE....127
3.6.1 CHECKS BEFORE STARTING THE ENGINE....127
3.6.1.1 VISUAL CHECKS....127
3.6.1.2 DAILY CHECKS....127
3.6.1.3 OPERATIONAL CHECKS....128
3.6.2 STARTING THE ENGINE....129
3.6.2.1 STARTING WITH WARM ENGINE OR IN TEMPERATE CLIMATES....129
3.6.2.2 STARTING WITH COLD ENGINE OR IN COLD CLIMATES....130
3.6.3 WARMING THE ENGINE....131
3.6.4 HEATING THE HYDRAULIC OIL....131
3.6.5 HOW TO MOVE THE MACHINE (ISO PATTERN CONTROL SYSTEM)....131
3.6.5.1 STEERING (CHANGING DIRECTION)....133
3.6.6 HOW TO MOVE THE MACHINE (OPTIONAL PATTERN CONTROL SYS TEM)....135
3.6.6.1 STEERING (CHANGING DIRECTION)....137
3.6.7 MOVING ON SLOPES....139
3.6.8 MAXIMUM IMMERSION DEPTH....140
3.7 PARKING THE MACHINE....141
3.7.1 PARKING ON LEVEL GROUND....141
3.7.2 PARKING ON SLOPES....142
3.8 STOPPING THE ENGINE....143
3.9 TRANSPORTING THE MACHINE ON OTHER VEHICLES....144
3.9.1 LOADING AND UNLOADING THE MACHINE....144
3.9.2 TRANSPORT....145
3.10 HOW TO LIFT THE MACHINE....146
3.11 PRECAUTIONS TO BE TAKEN IN THE COLD SEASON....147
3.11.1 FUEL AND LUBRICANTS....147
3.11.2 COOLANT....147
3.11.3 BATTERY....148
3.11.4 OTHER PRECAUTIONS....148
3.11.5 PRECAUTIONS TO BE TAKEN AT THE END OF WORK....148
3.12 PRECAUTIONS TO BE TAKEN IN THE WARM SEASON....149
3.13 USING THE WORK EQUIPMENT....150
3.13.1 LOWERING THE EQUIPMENT IN CASE OF MACHINE FAILURE....150
3.13.2 ORGANIZING THE WORK AREA....151
3.13.3 LOADING MATERIAL ON HEAPS AND ON LEVEL SURFACES....152
3.13.4 LOADING MATERIAL ON SLOPES....153
3.13.5 DIGGING METHOD....154
3.13.6 CHANGING THE BUCKET OR ATTACHMENT WITH STANDARD QUICK COUPLER....155
3.13.6.1 REMOVING THE BUCKET OR ATTACH MENT....156
3.13.6.2 ATTACHING THE BUCKET....157
3.13.6.3 CHECKING THE POSITION OF THE LOCKING PINS....158
3.13.6.4 ADJUSTING THE LOCKING PINS....159
3.14 LONG PERIODS OF INACTIVITY....160
3.14.1 BEFORE THE PERIOD OF INACTIVITY....160
3.14.2 DURING THE PERIOD OF INACTIVITY....161
3.14.3 AFTER THE PERIOD OF INACTIVITY....161
3.15 TROUBLESHOOTING....162
3.15.1 HOW TO REMOVE THE MACHINE....162
3.15.2 IF THE FUEL HAS BEEN COMPLETELY DEPLETED....162
3.15.3 IF THE BATTERY IS DEPLETED....163
3.15.3.1 STARTING WITH BOOSTER CABLES....164
3.15.4 OTHER TROUBLES....165
3.15.4.1 ELECTRICAL CIRCUIT....165
3.15.4.2 HYDRAULIC SYSTEM....166
3.15.4.3 ENGINE....166
3.15.4.4 HYDROSTATIC TRANSMISSION....167
MAINTENANCE....169
4.1 GUIDE TO MAINTENANCE....170
4.2 MAINTENANCE NOTES....172
4.2.1 NOTES REGARDING THE ENGINE....172
4.2.1.1 ENGINE OIL....172
4.2.1.2 COOLANT....172
4.3 FUEL, COOLANT AND LUBRICANTS....176
4.3.1 APPROVED SYNTHETIC BIODEGRADABLE LUBRICANTS TYPE HEES....180
4.4 DRIVING TORQUES FOR SCREWS AND NUTS....181
4.4.1 STANDARD DRIVING TORQUES....181
4.4.2 SPECIFIC DRIVING TORQUES....181
4.5 LUBRICATION....182
4.5.1 LUBRICATION DIAGRAM....182
4.6 PERIODICAL CHANGE OF THE COMPONENTS CONNECTED WITH SAFETY....183
4.6.1 CRITICAL PARTS FOR SAFETY....184
4.7 MAINTENANCE PLAN....190
4.8 MAINTENANCE PROCEDURE....192
4.8.1 WHEN REQUIRED....192
4.8.1.a CHECKING, CLEANING OR CHANGING THE AIR CLEANER CARTRIDGE....192
4.8.1.b TIRE ROTATION....193
4.8.1.c DRAINING THE FUEL TANK....194
4.8.1.d RELEASING THE PARKING BRAKE....195
4.8.1.e CHECKING THE BATTERY CHARGE LEVEL....196
4.8.2 CHECKS BEFORE STARTING....197
4.8.2.a VARIOUS CHECKS....197
4.8.2.b CHECKING THE COOLANT LEVEL....197
4.8.2.c CHECKING THE FUEL LEVEL....198
4.8.2.d CHECKING THE ENGINE OIL LEVEL....199
4.8.2.e CHECKING THE OIL LEVEL IN THE HYDRAULIC CIRCUIT....200
4.8.2.f CHECKING THE WATER SEPARATOR FOR SEDIMENTS AND WATER....201
4.8.2.g CHECKING THE WIRING SYSTEM....201
4.8.3 MAINTENANCE AFTER THE FIRST 50 HOURS OF OPERATION....202
4.8.4 MAINTENANCE EVERY 50 HOURS OF OPERATION....202
4.8.4.a CHECKING THE TIRE PRESSURE....202
4.8.4.b CHECKING THE COOLANT LEVEL IN THE RADIATOR....202
4.8.5 MAINTENANCE AFTER THE FIRST 250 HOURS OF OPERATION....203
4.8.6 MAINTENANCE EVERY 250 HOURS OF OPERATION....203
4.8.6.a ADJUSTING THE FAN BELT TENSION....203
4.8.6.b CHECKING THE GEARING CHAIN TENSION....204
4.8.6.c CLEANING THE OUTSIDE OF THE RADIATORS....206
4.8.6.d CHECKING THE WHEEL NUT DRIVING TORQUE....206
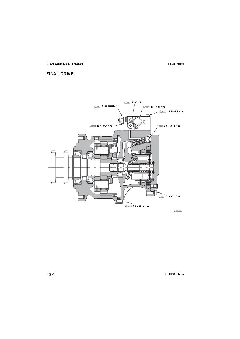
4.8.6.e CHECKING THE OIL LEVEL IN THE FINAL TRANSMISSIONS....207
4.8.6.f LUBRICATING THE JOINTS....208
4.8.6.g CHANGING THE ENGINE OIL....209
4.8.6.h CHANGING THE ENGINE OIL FILTER....210
4.8.7 MAINTENANCE AFTER THE FIRST 500 HOURS OF OPERATION (Only for machines filled with synthetic biodegradable oil type HEES)....211
4.8.8 MAINTENANCE EVERY 500 HOURS OF OPERATION....211
4.8.8.a CHANGING THE FUEL FILTER....211
4.8.8.b CHANGING THE HYDRAULIC OIL DRAIN FILTER....213
4.8.8.c CLEANING THE WATER SEPARATOR....214
4.8.8.d DRAINING THE HYDRAULIC OIL TANK (Only for machines filled with synthetic biodegradable oil type HEES)....215
4.8.9 MAINTENANCE EVERY 1000 HOURS OF OPERATION....217
4.8.9.a CHANGING THE OIL IN THE FINAL TRANSMISSION....217
4.8.9.b CHANGING THE HYDRAULIC SYSTEM OIL AND CLEANING THE SUCTION FILTER....218
4.8.9.c CHECKING AND ADJUSTING THE ENGINE VALVE CLEARANCE....220
4.8.10 MAINTENANCE EVERY 2000 HOURS OF OPERATION....221
4.8.10.a CHANGING THE COOLANT....221
4.8.10.b CHANGING THE SUCTION FILTER....223
4.8.10.c CHECKING THE ALTERNATOR AND THE STARTER....224
4.2.2 NOTES REGARDING THE HYDRAULIC SYSTEM....173
4.2.3 NOTES REGARDING THE ELECTRICAL SYSTEM....173
4.2.4 NOTES REGARDING LUBRICATION....174
4.2.5 PARTS SUBJECT TO WEAR THAT PERIODICALLY NEED CHANGING....175
TECHNICAL SPECIFICATIONS....225
5.1 TECHNICAL DATA....226
5.1.1 STANDARD MACHINE OVERALL DIMENSIONS....226
5.1.2 MACHINE OVERALL DIMENSIONS WITH OPTIONAL EQUIPMENT....228
5.1.3 TECHNICAL CHARACTERISTICS....232
AUTHORIZED OPTIONAL EQUIPMENT....235
6.1 AUTHORIZED OPTIONAL EQUIPMENT....236
6.1.1 PRECAUTIONS REGARDING SAFETY....236
6.1.2 PRECAUTIONS REGARDING THE INSTALLATION OF EQUIPMENT....236
6.1.3 CHARACTERISTICS OF THE STANDARD MACHINE OPTIONAL EQUIPMENT....237
6.1.4 CHARACTERISTICS OF THE OPTIONAL EQUIPMENT OF THE MACHINE VERSION WITH SUPER-FLOW HYDRAULIC SYSTEM....238
6.2 CHANGING THE AUTHORIZED EQUIPMENT....239
6.2.1 CONNECTING THE BACKHOE....239
6.2.2 CONNECTING THE HYDRAULIC CIRCUIT....240
6.2.3 CONNECTING THE RETURN CIRCUIT WITH DIRECT DRAINAGE INTO THE TANK....242
6.2.4 PREPARING THE MACHINE FOR THE USE OF THE BACKHOE....243
6.2.5 USING THE MACHINE WITH THE BACKHOE....243
6.3 PALLET FORKS....244
6.4 HAND & FOOT CONTROL SYSTEM....245
6.4.1 MACHINE CONTROLS....245
6.4.1.1 TRAVEL AND STEERING CONTROL LEVERS....246
6.4.1.2 WORK EQUIPMENT CONTROL PEDALS (LOADER ARM AND BUCKET)....248
6.4.1.3 AUXILIARY HYDRAULIC CONTROL LEVER....251
6.4.2 HOW TO MOVE THE MACHINE (HAND & FOOT CONTROL SYSTEM)....254
6.4.2.1 STEERING (CHANGING DIRECTION)....256
WEBM006000 - Skid Steer Loader SK1026-5 turbo Shop Manual....259
Komatsu Skid Steer Loader SK1026 turbo Repair Service Manuals





