Doosan/Daewoo Construction Equipment Electrical Schematics
Catalog:
Model:
Complete official Equipment Electrical Schematics contains detailed information for the Doosan Construction Equipments. This cost-effective quality manual is 100% complete and intact as should be without any missing pages. It is the same factory shop manual used by dealers that guaranteed to be fully functional to save your precious time.
MAKE: Doosan
FORMAT: PDF (464 MB)
LANGUAGE: English
├── Doosan SCHEMATIC_All_Models.pdf
├── Dumper
│ ├── MT25 hydr.pdf
│ ├── MT26 hydr.pdf
│ ├── MT31 hydr.pdf
│ ├── MT36 hydr.pdf
│ └── MT41 hydr.pdf
├── Graafmachine mobiel
│ ├── DX140W elec 7 monitor.pdf
│ ├── DX140W elec mech engine.pdf
│ ├── DX140W elec.pdf
│ ├── DX140W hydr mech engine.pdf
│ ├── DX140W hydr.pdf
│ ├── DX140W-3 elec 2012.7.11 ROPS.pdf
│ ├── DX140W-3 elec 2012.7.11.pdf
│ ├── DX140W-3 hydr.pdf
│ ├── DX140W-5 elec.pdf
│ ├── DX140W-5 hydr.pdf
│ ├── DX160W-3 elec.pdf
│ ├── DX170W elec.pdf
│ ├── DX170W hydr.pdf
│ ├── DX170W-3 elec ROPS.pdf
│ ├── DX170W-3 elec.pdf
│ ├── DX170W-3 hydr.pdf
│ ├── DX170W-5 elec.pdf
│ ├── DX170W-5 hydr.pdf
│ ├── DX190W elec 7 monitor.pdf
│ ├── DX190W elec.pdf
│ ├── DX190W hydr.pdf
│ ├── DX190W-3 elec 2012.7.11.pdf
│ ├── DX190W-3 elec 2012.9.3.pdf
│ ├── DX190W-3 hydr.pdf
│ ├── DX190W-5 elec.pdf
│ ├── DX190W-5 hydr.pdf
│ ├── DX210W elec 7 monitor.pdf
│ ├── DX210W elec.pdf
│ ├── DX210W hydr sn 5766 - up 5sol.valve block.pdf
│ ├── DX210W hydr.pdf
│ ├── DX210W-5 elec.pdf
│ ├── DX210W-5 hydr.pdf
│ ├── DX55W elec changes to rack actuator line.pdf
│ ├── DX55W elec.pdf
│ ├── DX55W hydr.pdf
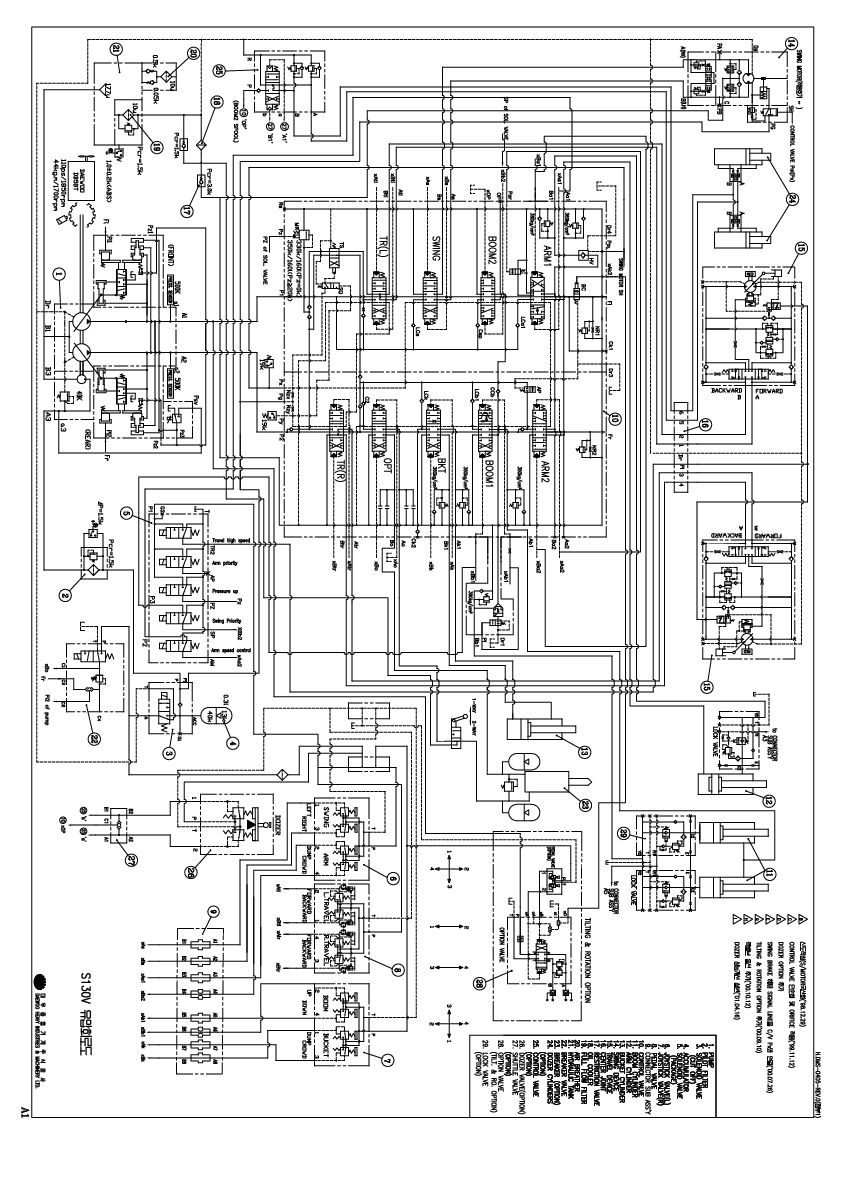
│ ├── S130W-3 elec.pdf
│ ├── S130W-3 hydr.pdf
│ ├── S130W-V elec.pdf
│ ├── S130W-V hydr.pdf
│ ├── S140W-V elec.pdf
│ ├── S140W-V hydr.pdf
│ ├── S170W-V elec.pdf
│ ├── S170W-V hydr.pdf
│ ├── S180W-V elec.pdf
│ ├── S180W-V hydr arti boom.pdf
│ ├── S180W-V hydr.pdf
│ ├── S200W-3 elec.pdf
│ ├── S200W-3 hydr.pdf
│ ├── S200W-V elec.pdf
│ ├── S200W-V hydr.pdf
│ ├── S210W-V elec 2011.02.15.pdf
│ ├── S210W-V elec sn 1410 - up.pdf
│ ├── S210W-V elec.pdf
│ ├── S210W-V hydr sn 2132 - up.pdf
│ ├── S210W-V hydr.pdf
│ ├── S50W-3 hydr.pdf
│ ├── S55W-V PLUS elec.pdf
│ ├── S55W-V PLUS hydr.pdf
│ ├── S55W-V elec.pdf
│ ├── S55W-V hydr.pdf
│ ├── S80W-3 elec.pdf
│ └── S80W-3 hydr.pdf
├── Graafmachine rups
│ ├── DH320LC elec sn 11 - 205.pdf
│ ├── DH320LC elec sn 206 - 361.pdf
│ ├── DH320LC elec sn 362 - up.pdf
│ ├── DH320LC elec sn 6- 10.pdf
│ ├── DH320LC hydr sn 1 - 361.pdf
│ ├── DH320LC hydr sn 362 - up.pdf
│ ├── DX140LC elec.pdf
│ ├── DX140LC hydr.pdf
│ ├── DX140LC-3 elec 2012.10.15.pdf
│ ├── DX140LC-3 elec 2012.7.11.pdf
│ ├── DX140LC-3 elec 2012.9.3.pdf
│ ├── DX140LC-3 hydr.pdf
│ ├── DX140LC-5 elec.pdf
│ ├── DX140LC-5 hydr.pdf
│ ├── DX140LCR elec 2010.12.13.pdf
│ ├── DX140LCR elec 2011.06.14.pdf
│ ├── DX140LCR hydr.pdf
│ ├── DX140LCR-3 elec.pdf
│ ├── DX140LCR-3 hydr.pdf
│ ├── DX140LCR-5 elec.pdf
│ ├── DX140LCR-5 hydr.pdf
│ ├── DX15-18 elec.pdf
│ ├── DX15-18 hydr vaste rups.pdf
│ ├── DX15-18 hydr verstelbare rups.pdf
│ ├── DX160LC-3 elec.pdf
│ ├── DX180LC elec 2009.9.17.pdf
│ ├── DX180LC elec U14-25.pdf
│ ├── DX180LC hydr.pdf
│ ├── DX180LC-3 elec ROPS.pdf
│ ├── DX180LC-3 elec.pdf
│ ├── DX180LC-3 hydr ouder.pdf
│ ├── DX180LC-3 hydr.pdf
│ ├── DX180LC-5 elec.pdf
│ ├── DX180LC-5 hydr.pdf
│ ├── DX225LC elec 7 monitor.pdf
│ ├── DX225LC elec.pdf
│ ├── DX225LC elec2.pdf
│ ├── DX225LC hydr 7 monitor.pdf
│ ├── DX225LC hydr.pdf
│ ├── DX225LC-3 elec 2012.10.15.pdf
│ ├── DX225LC-3 elec 2012.7.11.pdf
│ ├── DX225LC-3 elec 2012.9.3 ROPS.pdf
│ ├── DX225LC-3 hydr 2012.10.16.pdf
│ ├── DX225LC-3 hydr 2012.7.11.pdf
│ ├── DX225LC-5 elec.pdf
│ ├── DX225LC-5 hydr.pdf
│ ├── DX225LCA elec 110705 -.pdf
│ ├── DX225LCA elec.pdf
│ ├── DX225LCA hydr.pdf
│ ├── DX225LL elec.pdf
│ ├── DX225LL hydr.pdf
│ ├── DX235LCR elec 2010.04.23.pdf
│ ├── DX235LCR elec 2011.06.14.pdf
│ ├── DX235LCR hydr.pdf
│ ├── DX235LCR-5 elec.pdf
│ ├── DX235LCR-5 hydr.pdf
│ ├── DX255LC elec.pdf
│ ├── DX255LC elec2.pdf
│ ├── DX255LC hydr.pdf
│ ├── DX255LC-3 elec 2012.10.15.pdf
│ ├── DX255LC-3 elec 2012.7.11.pdf
│ ├── DX255LC-3 elec 2012.9.3 ROPS.pdf
│ ├── DX255LC-3 hydr 2012.10.16.pdf
│ ├── DX255LC-3 hydr 2012.7.11.pdf
│ ├── DX255LC-5 elec.pdf
│ ├── DX255LC-5 hydr.pdf
│ ├── DX27Z elec.pdf
│ ├── DX27Z hydr.pdf
│ ├── DX300LC elec 7 monitor sn 7448 - up.pdf
│ ├── DX300LC elec NON ROPS.pdf
│ ├── DX300LC elec ROPS.pdf
│ ├── DX300LC elec.pdf
│ ├── DX300LC hydr 7 monitor sn 7448 - up.pdf
│ ├── DX300LC hydr.pdf
│ ├── DX300LC-3 elec.pdf
│ ├── DX300LC-3 hydr 2012.08.06.pdf
│ ├── DX300LC-3 hydr 2012.10.16.pdf
│ ├── DX300LC-5 elec.pdf
│ ├── DX300LC-5 hydr.pdf
│ ├── DX300LCA elec.pdf
│ ├── DX300LCA hydr.pdf
│ ├── DX300LL elec.pdf
│ ├── DX300LL hydr.pdf
│ ├── DX30Z elec.pdf
│ ├── DX30Z hydr.pdf
│ ├── DX340LC elec 7 monitor sn 5975 -up.pdf
│ ├── DX340LC elec NON ROPS.pdf
│ ├── DX340LC elec ROPS.pdf
│ ├── DX340LC elec.pdf
│ ├── DX340LC hydr 7monitor sn 5975 - up.pdf
│ ├── DX340LC hydr.pdf
│ ├── DX340LC-3 elec.pdf
│ ├── DX340LC-3 hydr 2012.10.16.pdf
│ ├── DX340LC-3 hydr 2012.7.11.pdf
│ ├── DX340LC-5 elec.pdf
│ ├── DX340LC-5 hydr.pdf
│ ├── DX340LCA elec.pdf
│ ├── DX340LCA hydr.pdf
│ ├── DX350LC elec NON ROPS.pdf
│ ├── DX350LC elec ROPS.pdf
│ ├── DX350LC elec.pdf
│ ├── DX350LC hydr.pdf
│ ├── DX350LC-3 elec.pdf
│ ├── DX35Z elec.pdf
│ ├── DX35Z hydr.pdf
│ ├── DX380LC elec NON ROPS.pdf
│ ├── DX380LC elec ROPS.pdf
│ ├── DX380LC elec.pdf
│ ├── DX380LC hydr.pdf
│ ├── DX380LC-3 elec 2012.07.11.pdf
│ ├── DX380LC-3 elec 2012.10.15.pdf
│ ├── DX380LC-3 elec auxiliary mode.pdf
│ ├── DX380LC-3 hydr 2012.7.11.pdf
│ ├── DX380LC-3 hydr.pdf
│ ├── DX380LC-5 elec.pdf
│ ├── DX380LC-5 hydr.pdf
│ ├── DX420LC elec 7 monitor sn 5327 - up.pdf
│ ├── DX420LC elec NON ROPS.pdf
│ ├── DX420LC elec ROPS.pdf
│ ├── DX420LC elec1.pdf
│ ├── DX420LC elec2.pdf
│ ├── DX420LC hydr 7 monitor sn 5327 - up.pdf
│ ├── DX420LC hydr.pdf
│ ├── DX420LC-3 elec 2012.10.16.pdf
│ ├── DX420LC-3 elec 2012.7.11.pdf
│ ├── DX420LC-3 hydr.pdf
│ ├── DX480LC elec NON ROPS.pdf
│ ├── DX480LC elec ROPS.pdf
│ ├── DX480LC elec sn 5221 - up.pdf
│ ├── DX480LC elec1.pdf
│ ├── DX480LC elec2.pdf
│ ├── DX480LC hydr sn 5221 - up.pdf
│ ├── DX480LC hydr.pdf
│ ├── DX480LC-3 elec.pdf
│ ├── DX480LC-3 hydr.pdf
│ ├── DX490LC-3 elec.pdf
│ ├── DX490LC-3 hydr.pdf
│ ├── DX490LC-5 elec.pdf
│ ├── DX490LC-5 hydr.pdf
│ ├── DX530LC-3 elec.pdf
│ ├── DX530LC-3 hydr.pdf
│ ├── DX530LC-5 elec.pdf
│ ├── DX530LC-5 hydr.pdf
│ ├── DX55 elec changes to rack actuator line.pdf
│ ├── DX55 elec.pdf
│ ├── DX55 hydr.pdf
│ ├── DX60R elec changes to rack actuator line.pdf
│ ├── DX60R elec.pdf
│ ├── DX60R hydr.pdf
│ ├── DX700LC elec 2010.04.09.pdf
│ ├── DX700LC elec 2011.06.14.pdf
│ ├── DX700LC hydr.pdf
│ ├── DX80R elec changes to rack actuator line.pdf
│ ├── DX80R elec.pdf
│ ├── DX80R hydr.pdf
│ ├── DX85R-3 elec sn 1019 - up.pdf
│ ├── DX85R-3 hydr.pdf
│ ├── S010 elec.pdf
│ ├── S010 hydr.pdf
│ ├── S015 elec.pdf
│ ├── S015 hydr.pdf
│ ├── S015P elec.pdf
│ ├── S015P hydr.pdf
│ ├── S018VT elec.pdf
│ ├── S018VT hydr.pdf
│ ├── S030 elec.pdf
│ ├── S030 hydr.pdf
│ ├── S030P elec Tier-I.pdf
│ ├── S030P elec Tier-II.pdf
│ ├── S030P hydr.pdf
│ ├── S035 elec Tier-I.pdf
│ ├── S035 elec Tier-II.pdf
│ ├── S035 hydr.pdf
│ ├── S130LC-3 elec.pdf
│ ├── S130LC-3 hydr.pdf
│ ├── S130LC-V elec.pdf
│ ├── S130LC-V hydr.pdf
│ ├── S140LC-V elec sn 1095 - up.pdf
│ ├── S140LC-V elec.pdf
│ ├── S140LC-V hydr.pdf
│ ├── S150LC-7A elec.pdf
│ ├── S150LC-7A hydr.pdf
│ ├── S170-V elec.pdf
│ ├── S170-V hydr.pdf
│ ├── S175LC-V elec.pdf
│ ├── S175LC-V hydr.pdf
│ ├── S220LC-3 elec.pdf
│ ├── S220LC-3 hydr.pdf
│ ├── S220LC-V elec sn 2442 - up.pdf
│ ├── S220LC-V elec.pdf
│ ├── S220LC-V hydr.pdf
│ ├── S220LL elec.pdf
│ ├── S220LL hydr.pdf
│ ├── S225LC-V elec sn 1300 - up.pdf
│ ├── S225LC-V elec.pdf
│ ├── S225LC-V hydr.pdf
│ ├── S225NLC-V elec sn 1104 - up.pdf
│ ├── S225NLC-V elec.pdf
│ ├── S225NLC-V hydr.pdf
│ ├── S250LC-V hydr.pdf
│ ├── S255LC-V elec sn 1205 - up.pdf
│ ├── S255LC-V elec.pdf
│ ├── S255LC-V hydr.pdf
│ ├── S280LC-3 elec.pdf
│ ├── S280LC-3 hydr.pdf
│ ├── S290LC-V elec sn 2154 - up.pdf
│ ├── S290LC-V elec.pdf
│ ├── S290LC-V hydr.pdf
│ ├── S290LL hydr.pdf
│ ├── S300LC-V elec sn 2430 - up.pdf
│ ├── S300LC-V elec.pdf
│ ├── S300LC-V hydr.pdf
│ ├── S330LC-3 elec.pdf
│ ├── S330LC-3 hydr.pdf
│ ├── S330LC-V elec.pdf
│ ├── S330LC-V hydr.pdf
│ ├── S340LC-V elec sn 1340 - up.pdf
│ ├── S340LC-V elec.pdf
│ ├── S340LC-V hydr.pdf
│ ├── S400LC-3 elec.pdf
│ ├── S400LC-3 hydr.pdf
│ ├── S400LC-V elec.pdf
│ ├── S400LC-V hydr.pdf
│ ├── S420LC-V elec sn 1163 - up.pdf
│ ├── S420LC-V elec.pdf
│ ├── S420LC-V hydr.pdf
│ ├── S450-V elec.pdf
│ ├── S450-V hydr.pdf
│ ├── S450LC-3 elec.pdf
│ ├── S450LC-3 hydr.pdf
│ ├── S470LC-V elec sn 1305 - up.pdf
│ ├── S470LC-V elec.pdf
│ ├── S470LC-V hydr.pdf
│ ├── S55-V elec.pdf
│ ├── S55-V hydr.pdf
│ ├── S55-VP elec Tier-I.pdf
│ ├── S55-VP elec Tier-II.pdf
│ ├── S55-VP hydr OPT.pdf
│ ├── S55-VP hydr STD.pdf
│ ├── S75-V elec 2010.02.18.pdf
│ ├── S75-V elec sn 1154 - up.pdf
│ ├── S75-V elec.pdf
│ ├── S75-V hydr OPT.pdf
│ ├── S75-V hydr.pdf
│ ├── S80G elec.pdf
│ ├── S80G hydr.pdf
│ ├── TXC140-1 elec sn 1095 - up.pdf
│ ├── TXC140-1 elec.pdf
│ ├── TXC140-1 hydr.pdf
│ ├── TXC140-2 elec.pdf
│ ├── TXC140-2 hydr.pdf
│ ├── TXC175-1 elec.pdf
│ ├── TXC175-1 hydr.pdf
│ ├── TXC180-2 hydr.pdf
│ ├── TXC225-1 elec sn 1300 - up.pdf
│ ├── TXC225-1 elec.pdf
│ ├── TXC225-1 hydr.pdf
│ ├── TXC225-2 elec.pdf
│ ├── TXC225-2 hydr.pdf
│ ├── TXC255-1 elec sn 1205 - up.pdf
│ ├── TXC255-1 elec.pdf
│ ├── TXC255-1 hydr1.pdf
│ ├── TXC255-2 elec.pdf
│ ├── TXC255-2 hydr.pdf
│ ├── TXC300-1 elec sn 2430 - up.pdf
│ ├── TXC300-1 elec.pdf
│ ├── TXC300-1 hydr.pdf
│ ├── TXC340-1 hydr.pdf
│ ├── TXC340-2 elec.pdf
│ ├── TXC340-2 hydr.pdf
│ ├── TXC420-1 elec sn 1163 - up.pdf
│ ├── TXC420-1 elec.pdf
│ ├── TXC420-1 hydr.pdf
│ ├── TXC420-2 elec.pdf
│ ├── TXC420-2 hydr.pdf
│ ├── TXC470-1 elec sn 1305 - up.pdf
│ ├── TXC470-1 elec.pdf
│ ├── TXC470-1 hydr.pdf
│ ├── TXC480-2 elec.pdf
│ └── TXC480-2 hydr.pdf
├── Schrankladers
│ ├── 430 plus elec option & joystick type.pdf
│ ├── 430 plus elec option.pdf
│ ├── 430 plus elec standard & joystick type.pdf
│ ├── 430 plus elec standard.pdf
│ ├── 430 plus hydr joystick type.pdf
│ ├── 430 plus hydr option.pdf
│ ├── 430 plus hydr standard.pdf
│ ├── 440 plus elec option & joystick type.pdf
│ ├── 440 plus elec option.pdf
│ ├── 440 plus elec standard & joystick type.pdf
│ ├── 440 plus elec standard.pdf
│ ├── 440 plus hydr joystick type.pdf
│ ├── 440 plus hydr option.pdf
│ ├── 440 plus hydr standard.pdf
│ ├── 450 plus & 460 plus elec yanmar engin.pdf
│ ├── 450 plus elec option & joystick type.pdf
│ ├── 450 plus elec option.pdf
│ ├── 450 plus elec standard & joystick type.pdf
│ ├── 450 plus elec standard.pdf
│ ├── 450 plus hydr joystick type.pdf
│ ├── 450 plus hydr option.pdf
│ ├── 450 plus hydr standard.pdf
│ ├── 460 plus elec option & joystick type.pdf
│ ├── 460 plus elec option.pdf
│ ├── 460 plus elec standard & joystick type.pdf
│ ├── 460 plus elec standard.pdf
│ ├── 460 plus hydr joystick type.pdf
│ ├── 460 plus hydr option.pdf
│ ├── 460 plus hydr standard.pdf
│ ├── 470 plus elec option & joystick type.pdf
│ ├── 470 plus elec option.pdf
│ ├── 470 plus elec standard & joystick type.pdf
│ ├── 470 plus elec standard.pdf
│ ├── 470 plus hydr joystick type.pdf
│ ├── 470 plus hydr option.pdf
│ └── 470 plus hydr standard.pdf
├── Wielladers
│ ├── DL160 hydr.pdf
│ ├── DL200 elec sn 5466 - up 24v audio compressor camera.pdf
│ ├── DL200 hydr.pdf
│ ├── DL200-3 elec.pdf
│ ├── DL200-3 hydr TC.pdf
│ ├── DL200-3 hydr.pdf
│ ├── DL200A hydr.pdf
│ ├── DL220 hydr.pdf
│ ├── DL220-3 hydr.pdf
│ ├── DL250 elec 24v audio compressor camera.pdf
│ ├── DL250 hydr sn 5515 - up.pdf
│ ├── DL250 hydr.pdf
│ ├── DL250-3 elec.pdf
│ ├── DL250-3 hydr.pdf
│ ├── DL250A hydr.pdf
│ ├── DL250TC hydr sn 5029 - up.pdf
│ ├── DL300 hydr.pdf
│ ├── DL300-3 elec.pdf
│ ├── DL300-3 hydr.pdf
│ ├── DL300-5 hydr.pdf
│ ├── DL300A elec.pdf
│ ├── DL300A hydr.pdf
│ ├── DL350 elec tot 2011.pdf
│ ├── DL350 hydr.pdf
│ ├── DL350-3 elec.pdf
│ ├── DL350-3 hydr.pdf
│ ├── DL350-5 hydr.pdf
│ ├── DL400 hydr sn 5001 - 5120.pdf
│ ├── DL400 hydr sn 5121 - 5215.pdf
│ ├── DL420 hydr 2012.07.pdf
│ ├── DL420 hydr.pdf
│ ├── DL420-3 hydr.pdf
│ ├── DL420-5 hydr.pdf
│ ├── DL420A elec.pdf
│ ├── DL420A hydr.pdf
│ ├── DL450 hydr.pdf
│ ├── DL450-3 elec.pdf
│ ├── DL450-3 hydr.pdf
│ ├── DL450-5 hydr.pdf
│ ├── DL500 elec engine.pdf
│ ├── DL500 hydr sn 5001- 5025.pdf
│ ├── DL500 hydr sn 5104 - up.pdf
│ ├── DL550-3 elec.pdf
│ ├── DL550-3 hydr.pdf
│ ├── DL550-5 hydr.pdf
│ ├── DL550A hydr.pdf
│ ├── M160 hydr.pdf
│ ├── M200-3 elec.pdf
│ ├── M200-3 hydr.pdf
│ ├── M200-V elec.pdf
│ ├── M200-V hydr.pdf
│ ├── M250-3 elec.pdf
│ ├── M250-3 hydr.pdf
│ ├── M250-V Y hydr sn 3001 - up.pdf
│ ├── M250-V Y hydr sn 4456 - up.pdf
│ ├── M250-V hydr sn 3340 - up.pdf
│ ├── M250-V hydr.pdf
│ ├── M300 elec hydr.pdf
│ ├── M300-3 elec.pdf
│ ├── M300-3 hydr.pdf
│ ├── M300-V hydr.pdf
│ ├── M400-3P elec.pdf
│ ├── M400-3P hydr.pdf
│ ├── M400-V Y hydr sn 3001 - up.pdf
│ ├── M400-V hydr.pdf
│ ├── M500-V elec F-R circuit for two lever&mono lever.pdf
│ ├── M500-V hydr N14.pdf
│ ├── M500-V hydr.pdf
│ ├── TXL160-1 hydr.pdf
│ ├── TXL200-1 elec.pdf
│ ├── TXL200-1 hydr.pdf
│ ├── TXL250-1 hydr.pdf
│ ├── TXL300-1 hydr.pdf
│ └── TXL400-1 hydr.pdf





