Hyster C001 (H1.25-1.75XL Europe & H25-35XL) Repair Service Manuals
Catalog:
Model:
Complete service repair manual for Hyster C001 (H1.25-1.75XL Europe & H25-35XL), with all the shop information to maintain, diagnostic, repair, refurbish/rebuild like professional mechanics.
Hyster C001 (H1.25-1.75XL Europe & H25-35XL) workshop service & repair manual includes:
* Numbered table of contents easy to use so that you can find the information you need fast.
* Detailed sub-steps expand on repair procedure information
* Numbered instructions guide you through every repair procedure step by step.
* Troubleshooting and electrical service procedures are combined with detailed wiring diagrams for ease of use.
* Notes, cautions and warnings throughout each chapter pinpoint critical information.
* Bold figure number help you quickly match illustrations with instructions.
* Detailed illustrations, drawings and photos guide you through every procedure.
* Enlarged inset helps you identify and examine parts in detail.
Hyster C001 (H1.25-1.75XL Europe & H25-35XL) Service Manual.pdf
Total Pages: 1,046 pages
File Format: PDF (Internal Links, Bookmarked, Table of Contents, Searchable, Printable, high quality)
Language: English
100218...3
INTRODUCTION...3
GENERAL...3
DESCRIPTION...3
REPAIRS...3
COUNTERWEIGHT...3
Removal...3
Installation...4
OVERHEAD GUARD...4
HOOD...4
Removal...4
Installation...4
OPERATOR RESTRAINT SYSTEM...5
ENGINE...5
Removal...5
Installation (Engine Only)...6
Installation (Engine and Transmission)...7
RADIATOR AND MUFFLER...7
Removal and Installation...7
FUEL AND HYDRAULIC TANKS...7
Inspection...7
Repairs...7
LABEL REPLACEMENT...9
1300255...12
INTRODUCTION...12
GENERAL...12
DESCRIPTION AND OPERATION...13
GENERAL...13
TORQE CONVERTER...13
Description...13
Operation...13
CLUTCH ASSEMBLIES...16
Description...16
Operation...18
HYDRAULIC SYSTEM...18
General...18
CONTROL VALVE...18
Regulator for Clutch Pressure...21
Inching Spool Assembly...21
Direction Spool...21
MONOTROL Control Valve...21
Neutral Start Switch, MONOTROL Pedal Only...22
Neutral Start Switch, Direction Control Lever Only...22
Modulator Circuit...22
Regulator for the Toruqe Converter...23
By-Pass Valve for the Oil Cooler...23
DIFFERENTIAL...24
OIL FLOW DIAGRAMS...24
1300256...33
INTRODUCTION...33
GENERAL...33
REPAIRS...35
REPAIRS...35
Torque Converter, Removal...35
Torque Converter, Installation...35
Front Cover And Transmission Pump, Removal and Disassembly...36
Front Cover And Transmission Pump, Assembly and Installation...36
Clutch Assemblies, Removal and Disassembly...37
Clutch Assemblies, Inspection...40
Clutch Assemblies, Assembly and Installation...41
Differential, Removal and Disassembly...44
Differential, Inspection...46
Differential, Assembly And Installation...46
CONTROL VALVE...56
Control Valve, Removal and Disassembly...56
Control Valve, Inspection...56
Control Valve, Assembly and Installation...58
MONOTROL Pedal, Removal and Disassembly...60
MONOTROL Pedal, Assembly and Installation...60
CHECKS AND ADJUSTMENTS...62
Stall Test...62
Adjustment Of The Direction Control Linkage...63
Adjustment Of The Brake Pedal And Inching Pedal (Serial Number Codes A177, A187, B10, and C1)...64
Adjustment Of The Direction Control Linkage (Serial Number Codes B177, C177, B187, and C187)...67
Test The Direction Control Linkage (Serial Number Codes B177, C177, B187, and C187)...68
Adjustment Of The Inching/Brake Pedal (Serial Number Codes B177, C177, B187, and C187)...69
Adjustment Of The Neutral Start Switch, MONOTROL Pedal (Serial Number Codes B177, C177, B187 and C187)...73
Test The Neutral Start Switch, MONOTROL Pedal (Serial Number Codes B177, C177, B187, and C187)...74
Check The Oil Pressures...74
Check The Relief Valve for the Transmission Pump...74
Check The Clutch Pressure...74
Check The Torque Converter Regulator...75
Check The Oil Pressure from the Oil Cooler...75
Check The Modulator Pressure...76
TROUBLESHOOTING...76
TROUBLESHOOTING, PRESSURE TESTS...78
130075...81
INTRODUCTION...81
General...81
DESCRIPTION AND OPERATION...81
General...81
Torque Converter...82
Description...82
Operation...82
Clutch Assemblies...84
Description...84
Operation...85
Hydraulic System...85
General...85
Oil Pump and Front Cover...86
Torque Converter Regulator...86
Oil Cooler By-Pass...86
Control Valve...86
General...86
Differential...91
Oil Flow Diagrams...92
Neutral...92
Forward...94
Forward-Inching...96
Reverse...98
13008...100
INTRODUCTION...100
General...100
Removal of The Transmission...100
Installation of the Transmission...100
REPAIRS...102
Torque Converter...102
Front Cover and Oil Pump...102
Clutch Assemblies...104
Differential...112
Control Valve...121
CHECKS AND ADJUSTMENTS...123
Stall Test...123
Adjusting the Direction Control Linkage...124
Adjusting the Brake and Inching Pedals...125
Checking the Oil Pressures...127
SPECIFICATIONS...129
TROUBLESHOOTING...129
1400219...132
INTRODUCTION...132
GENERAL...132
DESCRIPTION...132
REPAIRS...133
REMOVAL...133
CLEANING...133
INSPECTION...133
ASSEMBLY...133
TROUBLESHOOTING...135
160010...136
INTRODUCTION...136
DESCRIPTION...136
GENERAL...136
REPAIRS...137
STEERING AXLE...137
Removal...137
Installation...138
STEERING CYLINDER...138
Removal...138
Service...139
Installation...139
HUBS...139
Removal...139
Installation...140
SPINDLES...140
Removal...140
Installation...141
CHECKS AND ADJUSTMENTS...141
REMOVE THE AIR FROM THE STEERING SYSTEM...141
SET THE PRESSURE RELIEF VALVE...141
S/H1.25-1.75XL (S/H25-35XL) and H2.00-3.00XL (H40-60XL)...141
H2.00-3.00J (H40-60J) WITH OIL CLUTCH TRANSMISSION...141
H2.00-3.00J (H40-60J) With Powershift Transmission...141
TROUBLESHOOTING...143
160054...144
INTRODUCTION...144
GENERAL...144
DESCRIPTION...144
OPERATION...144
REPAIRS...144
STEERING WHEEL AND COLUMN ASSEMBLY...144
TYPE "A" STEERING COLUMN ASSEMBLY...146
Removal And Disassembly...146
Assembly And Installation...146
TYPE "A" STEERING COLUMN...147
TYPE "A" STEERING COLUMN...148
TYPE "B" STEERING COLUMN...149
Removal And Disassembly...149
Assembly And Installation...149
TYPE "B" STEERING COLUMN...150
Disassembly of Steering Control Unit...151
Cleaning of Steering Control Unit...151
Assembly of Steering Control Unit...153
CHECKS AND ADJUSTMENTS...156
REMOVE AIR FROM THE SYSTEM...156
TROUBLESHOOTING...157
1800221...158
INTRODUCTION...158
General...158
Description and Operation...158
REPAIRS...159
Removal and Disassembly...159
Cleaning...161
Inspection...161
Assembly and Installation...161
Master Cylinder...162
CHECKS AND ADJUSTMENTS...164
Adjusting The Service Brakes...164
Adjusting The Parking Brake...164
Removing Air From The Brake System...164
Adjusting The Brake Pedal and Inching Pedal...164
TROUBLESHOOTING...167
1900130...169
INTRODUCTION...169
GENERAL...169
DESCRIPTION...171
Hydraulic System...171
Gear Pump Assembly...171
Flow Control Valve...172
Relief Valve (Early Model)...172
Relief Valve (Later Model)...172
OPERATION...174
Hydraulic System...174
Gear Pump...174
Flow Control Valve...174
Relief Valve (Early Model)...174
Relief Valve (Later Model)...174
REPAIR...176
GEAR PUMP ASSEMBLY...176
Removal and Disassembly...176
Assembly and Installation...177
CHECKS AND ADJUSTMENTS...177
CHECK AND ADJUST STEERING RELIEF PRESSURE...177
CHECK GEAR PUMP FOR CORRECT FLOW...178
TROUBLESHOOTING...178
200077...180
INTRODUCTION...180
GENERAL...180
DESCRIPTION...180
OPERATION...181
Lift Section...182
Tilt Section...182
Relief Valve...184
SOLENOID VALVE FOR AUXILIARY FUNCTION...185
Operation...185
REPAIRS...185
MAIN CONTROL VALVE...185
Removal and Disassembly...185
Cleaning and Inspection...186
Assembly...186
Installation...186
SOLENOID VALVE FOR AUXILIARY FUNCTION...186
Removal and Disassembly...186
Assembly and Installation...188
CHECKS AND ADJUSTMENTS...188
PRESSURE RELIEF VALVES...188
Primary Relief Valve...188
Seconday Relief Valve...189
CONTROL LEVER ARRANGEMENT...189
TROUBLESHOOTING...192
SPECIFICATIONS...194
2100103...195
INTRODUCTION...198
GENERAL...198
DESCRIPTION...198
REPAIRS...198
REMOVAL...198
DISASSEMBLY...198
CLEANING...198
ASSEMBLY...198
Tilt Cylinders for the XM and XMS Models...198
Tilt Cylinders with O-Ring or Single Lip Seals...200
Tilt Cylinders for H700-800A and Early Model H700-920B...200
INSTALLATION...200
Tilt Cylinders with Chevron Packing...200
CHECKS AND ADJUSTMENTS...204
CHECK THE TILT CYLINDERS FOR LEAKS...204
ADJUST THE TILT CYLINDER STROKE AND THE MAST TILT ANGLE...204
TROUBLESHOOTING...207
2200132...210
INTRODUCTION...210
GENERAL...210
DESCRIPTION...210
Starting System...210
Ignition System...210
Charging System...211
REPAIR...213
STARTER...213
Removal And Disassembly...213
Assembly And Installation...213
BALLAST RESISTOR RELAY (Earlier Production)...215
DISTRIBUTOR (Earlier Production With Contact Points)...215
Removal And Disassembly...215
Assembly And Installation...217
COIL REPLACEMENT...217
DISTRIBUTOR (Later Production with Electronic Ignition System)...217
Removal And Disassembly...217
Assembly And Installation...219
ALTERNATOR (All Models)...219
Removal And Disassembly...219
Assembly And Installation...220
REGULATOR REPLACEMENT (Earlier Production)...221
CHECKS AND ADJUSTMENTS...222
GENERAL...222
STARTER...222
Check Operation...222
Check Brush Length...223
Check Brush Holder...223
Armature...223
Field Windings...223
Clutch And Bearing...223
BALLAST RESISTOR RELAY (Earlier Production)...223
DISTRIBUTOR...224
Distributor Contact Clearance...224
SPARK PLUGS...225
COIL AND BALLAST RESISTOR (Earlier Production)...225
ALTERNATOR...225
Check For Low Output (Alternator With Separate Regulator)...225
Check For Low Output (Alternator With Integral Regulator)...227
Check For High Output (Alternator With Separate Regulator)...228
Check For High Output (Alternator With Integral Regulator)...228
Rotor Resistance (Alternator with Separate Regulator)...228
Diodes Circuit (Alternator with Separate Regulator)...229
Diode Assembly (Alternator With Separate Regulator)...229
Check The Diodes, Diode Trio (Alternator with Integral Regulator)...229
Check The Rectifier Bridge (Alternator with Integral Regulator)...230
Check Field Winding For The Rotor (All Alternators)...230
Check Windings In The Stator (All Alternators)...231
Brushes And Bearings...231
Check The Voltage Regulator (Alternator with Separate Regulator)...231
Check The Voltage Regulator (Alternator with Integral Regulator)...232
ADJUSTMENTS...232
TROBLESHOOTING...233
2200134...235
INTRODUCTION...235
GENERAL...235
DESCRIPTION...235
Starting System...235
Charging System...235
Vacuum Pump On Alternator (On Units With Brake Booster)...237
REPAIRS...238
STARTER...238
Removal And Disassembly...238
Assembly And Installation...238
REPLACING GLOW PLUGS...240
ALTERNATOR (With Vaccum Pump)...240
Removal And Disassembly...240
Cleaning...242
Assembly And Installation...242
ALTERNATOR (Without Vacuum Pump)...243
Removal And Disassembly...243
Cleaning...245
Assembly And Installation...245
REGULATOR REPLACEMENT...246
CHECKS...246
GENERAL...246
STARTER...246
Starter Operation...246
Solenoid Coil Checks...247
Brush Length...247
Brush Holder...247
Armature...247
Field Windings...248
Clutch And Bearings...248
COLD START AID...248
Glow Plugs...248
Resistor...248
CHARGING CIRCUIT...248
Check For Low Output...248
Check Ford High Output...250
ALTERNATOR...250
Rotor Resistance...250
Diodes Circuit...250
Rotor Coil...251
Stator Coil...251
Diode Assembly...251
Brushes And Bearings...252
REGULATOR (At Hydraulic Tank)...252
TROUBLESHOOTING...253
2200143...256
INTRODUCTION...256
GENERAL...256
DESCRIPTION...256
GENERAL...256
STEERING COLUMN GAUGES, METERS AND INDICATORS...259
LED DISPLAY PANEL...259
Battery Discharge Indicators ...259
Brush Wear Indicators...260
Motor Temperature Indicators...261
"LX" SERIES INSTRUMENT PANEL DISPLAY...262
Hourmeter Functions...263
Battery Indicator Function...263
Status Code Function...263
CHECKS AND ADJUSTMENTS...263
GENERAL...263
REPLACEMENT...264
GENERAL...264
METER REPLACEMENT...264
SENDER REPLACEMENT...265
Fuel Level Sender...265
Pressure And Temperature Sender...266
I.T.W. DISPLAY PANEL...266
Removal...266
SPECIFICATIONS...267
TROUBLESHOOTING...268
2200144...269
ELECTRICAL WARNING DEVICES...269
GENERAL...269
DESCRIPTION...269
Operator Controlled Horns...269
System Warning Lights, Buzzers and Bells...269
Reverse Warning Horns...270
Warning Lights...270
REPLACEMENT...271
General...271
Replacing Horns or Bells...271
Replacing Horn Relay or Buzzer...271
Replacing Warning Lights...271
Light Assemblies...272
Replacing Flashing Units...272
4000135...273
SAFETY PROCEDURES WHEN WORKING NEAR THE MAST...273
SAFETY PROCEDURES WHEN WORKING NEAR THE MAST...273
LIFT CYLINDERS...276
GENERAL...276
DESCRIPTION...276
Lowering Control Valve...276
Cylinders (General)...279
Cylinders (H520-620B,H700-800A)...281
Cylinders (H360-460B)...282
Cylinders (Two-Speed)...282
REPAIRS...283
REMOVAL OF THE LIFT CYLINDER WITHOUT REMOVING THE MAST...283
Standard Masts with the Main Lift Cylinder Fastened to the Crossmember of the Inner Mast...283
Standard and Full Free-Lift Masts with the Lift Cylinder to a Crosshead...287
Masts that have Two Cylinders, A Main Lift Cylinder and a Free-Lift Cylinder...285
DISASSEMBLY...285
ASSEMBLY...287
INSTALLATION OF THE LIFT CYLINDER IN THE MAST...287
Standard Masts with the Main Lift Cylinder Fastened to the Crossmember of the Inner Mast...287
Standard and Full-Free-Lift Masts with the Lift Cylinder Fastened to a Crosshead...287
CHEVRON PACKING...288
LIFT CYLINDERS FOR VISTA MASTS...291
DESCRIPTION...291
Lowering Control Valve...293
REMOVAL...294
DISASSEMBLY...294
ASSEMBLY...294
INSTALLATION...295
Main Lift Cylinders...295
Free-Lift Cylinders...295
CHECKS AND ADJUSTMENTS...296
CHECK FOR LEAKS IN LIFT SYSTEM...296
TROUBLESHOOTING...297
SPECIFICATIONS...298
4000222...299
INTRODUCTION...299
GENERAL...299
MAST WELDMENTS...299
CARRIAGE...299
MAST MOUNTS...300
VISTA® TWO-STAGE MAST...301
DESCRIPTION AND OPERATION...301
VISTA® FREE-LIFT MAST...303
DESCRIPTION...303
OPERATION...303
VISTA® THREE-STAGE MAST...305
DESCRIPTION...305
OPERATION...305
VISTA® FOUR-STAGE MAST...306
DESCRIPTION...306
OPERATION...307
4000223...309
VISTA MAST, REPAIR...309
GENERAL...309
SAFETY PROCEDURES WHEN WORKING NEAR THE MAST...309
FORKS...310
Forks, Removal And Installation...310
CARRIAGE...311
Removal...311
Installation...312
MASTS...312
Removal...312
Disassembly...313
Cleaning and Inspection...318
Assembly...318
Installation...322
SIDE-SHIFT CARRIAGE (EARLIER DESIGN)...323
Removal...323
Repairs...323
Installation...323
SIDE-SHIFT CARRIAGE (1993 AND LATER DESIGN)...324
Removal...324
Repairs...324
Installation...325
CHECKS AND ADJUSTMENTS...326
CHECK FOR LEAKS IN THE LIFT AND TILT SYSTEM...326
ADJUST THE TILT CYLINDER STROKE AND THE BACKWARD TILT ANGLE...327
LIFT CHAIN ADJUSTMENTS...328
MAST ADJUSTMENTS...328
CARRIAGE ADJUSTMENT...330
HEADER HOSE ARRANGEMENTS...330
Two-Stage Header Hose...331
Header Hoses For Free-Lift, Three-Stage, and Four Stage Masts...331
TROUBLESHOOTING...336
60066...337
MAZDA M4-121G ENGINE...337
GENERAL...337
DESCRIPTION...338
REMOVAL AND INSTALLATION OF THE ENGINE...338
CYLINDER HEAD AND VALVE MECHANISM...338
Cylinder Head, Removal...338
Cylinder Head, Inspection and Repairs...339
Rocker Arm Assembly...339
Valve Guides...339
Valve Seats...340
Valves...340
Valve Springs...340
Cylinder Head, Installation...340
TIMING GEAR CASE, REMOVAL...341
TIMING GEAR CASE, INSTALLATION...342
CAMSHAFT...342
Removal...342
Inspection...343
Cam Followers, Inspection...343
Installation...343
CRANKSHAFT AND MAIN BEARINGS...343
Crankshaft, Removal...343
Crankshaft, Inspection And Repair...344
Main Bearings...345
Crankshaft, Installation...345
PISTONS AND CONNECTING RODS...346
Removal...346
Disassembly...346
Pistons, Inspection And Repair...346
Piston Rings...347
Piston Pin and Bushing...347
Connecting Rods and Bearings, Inspection...347
Pistons and Connecting Rods, Assembly...347
Pistons and Connecting Rods, Installation...348
CYLINDER BLOCK AND CYLINDER LINERS...348
Cylinder Block, Repairs...348
Cylinder Liners...348
DISTRIBUTOR...349
Removal...349
Installation...349
OIL PUMP...351
Removal...351
Repairs...351
Installation...352
GOVERNOR...352
Description...352
Removal...352
Disassembly...353
Assembly...354
Installation...355
COOLANT PUMP...355
Removal...355
Disassembly and Repair...356
Assembly...356
Installation...357
FLYWHEEL...357
Repairs...357
Installation...357
CHECKS AND ADJUSTMENTS...357
ADJUST THE VALVES...357
ADJUST THE THROTTLE LINKAGE...358
ENGINE SPECIFICATIONS...358
ENGINE SPECIFICATIONS...358
Engine Data...358
Cooling System...358
Cylinder Head and Valve Mechanism...358
Camshaft...360
Timing Gear...361
Camshaft...361
Connecting Rods...361
Cylinder Liners...361
Pistons...361
Lubrication System...362
Fuel Pump...362
TORQUE SPECIFICATIONS...363
TROUBLESHOOTING...364
60070...368
INTRODUCTION ...368
GENERAL ...368
DESCRIPTION ...368
FUEL SYSTEM ...369
Description ...369
Operation, Fuel Injection Pump, Model VE ...371
Operation, Fuel Injection Pump, Model PE4A ...372
Pneumatic Governor For Fuel Injection Pump, Model PE4A ...373
Inlet Manifold For Fuel Injection Pump, Model PE4A ...374
REPAIRS ...375
FUEL INJECTION PUMP (ALL MODELS) ...375
Removal ...375
Installation ...375
REMOVAL AND INSTALLATION OF THE ENGINE ...375
CYLINDER HEAD AND VALVE MECHANISM ...375
Cylinder Head, Removal ...375
Valve Guides, Replacement ...376
Cylinder Head, Inspection And Repair ...377
Combustion Chamber Plugs, Inspection And Repair ...377
Combustion Chamber Plugs, Installation ...377
Valves, Inspection And Repair ...378
Valve Seat, Inspection ...378
Valve Seat, Removal ...379
Valve Seat, Installation ...379
Valve Spring, Inspection ...379
Rocker Arms, Inspection And Assembly ...379
Installation Of The Cylinder Head ...380
TIMING GEAR CASE ...381
Removal ...381
Installation ...381
CAMSHAFT ...383
Removal ...383
Inspection ...383
Camshaft Bearings ...384
Cam Followers ...384
CAMSHAFT, INSTALLATION ...384
CRANKSHAFT AND MAIN BEARINGS ...385
Crankshaft, Removal ...385
Crankshaft, Inspection And Repair ...385
Main Bearings ...385
Pilot Bearing ...386
Crankshaft, Installation ...386
FLYWHEEL AND RING GEAR, H2.00–3.20XM (H40–65XM) ...388
Flywheel, Removal ...388
Ring Gear, Replacement ...388
Flywheel, Installation ...388
PISTONS AND CONNECTING RODS ...389
Pistons And Connecting Rods, Removal ...389
Disassembly ...389
Pistons, Inspection And Repair ...390
Piston Rings, Inspection And Repair ...390
Piston Pins, Inspection And Repair ...391
Connecting Rods, Inspection And Repair ...392
Pistons And Connecting Rods, Assembly And Installation ...392
CYLINDER BLOCK AND CYLINDER LINERS ...392
Cylinder Liners, Inspection ...392
Replacement Of A Cylinder Liner ...393
LUBRICATION SYSTEM ...394
Oil Pump, Removal And Disassembly ...394
Oil Pump, Inspection ...394
Oil Pump, Assembly And Installation ...395
Oil Filter ...395
COOLING SYSTEM ...396
Coolant Pump, Removal ...396
Coolant Pump, Disassembly ...396
Coolant Pump, Assembly And Installation ...396
Thermostat, Replacement ...397
CHECKS AND ADJUSTMENTS ...397
VALVE CLEARANCE ADJUSTMENT ...397
CHECK THE TIMING OF THE FUEL INJECTION PUMP, MODEL VE ...398
CHECK THE TIMING OF THE FUEL INJECTION PUMP, MODEL PE4A ...399
FUEL INJECTORS ...399
Fuel Injectors, Removal ...400
Fuel Injectors, Inspection ...400
Fuel Injectors, Installation ...401
DIESEL FUEL FILTERS ...401
Filter Replacement, Models With A Water Separator ...401
Filter Replacement, Models Without A Water Separator ...402
Filter For The Fuel Injection Pump, Model PE4A ...402
REMOVE AIR FROM THE FUEL SYSTEM ...402
Throttle Linkage, Adjustment ...403
Idle Speed, Adjustment ...403
Check The Elements For The Cold Start Aid System ...403
ENGINE SPECIFICATIONS ...403
TORQUE SPECIFICATIONS ...405
700626...406
COOLING SYSTEM...406
INTRODUCTION...406
DESCRIPTION...406
RADIATOR...406
RADIATOR CAP...406
THERMOSTAT...406
WATER PUMP...407
FAN AND FAN SHROUD ...407
REPAIRS...407
COOLING SYSTEM CHECKS...407
Exhaust Leaks...407
RADIATOR...407
Checks...407
Cleaning The Radiator...407
Drain The Cooling System...409
Fill The Cooling System...409
WATER PUMP...409
Checks...409
THERMOSTAT...410
Checks...410
FAN AND FAN SHROUD ...410
TROUBLESHOOTING...411
8000225...412
8000231...417
INTRODUCTION...417
NOMENCLATURE, THREADS...417
STRENGTH IDENTIFICATION...418
TABLE 1. BOLTS AND SCREWS...418
TABLE 2. STUDS AND NUTS...419
TABLE 3. TORQUE NUTS...420
TABLE 4. TORQUE NUTS WITH NYLON INSERT...421
TABLE 5. TORQUE VALUES FOR INCH FASTENERS...422
TABLE 6. TORQUE VALUES FOR METRIC FASTENERS...423
8000259...426
PERIODIC MAINTENANCE...426
GENERAL...426
Serial Number Data...426
HOW TO MOVE A DISABLED LIFT TRUCK...427
How To Tow the Lift Truck...427
HOW TO PUT A LIFT TRUCK ON BLOCKS...427
How To Raise the Drive Tires...427
How To Raise the Steering Tires...428
MAINTENANCE PROCEDURES...432
EVERY 8 HOURS OR DAILY...432
HOW TO MAKE CHECKS WITH THE ENGINE STOPPED...432
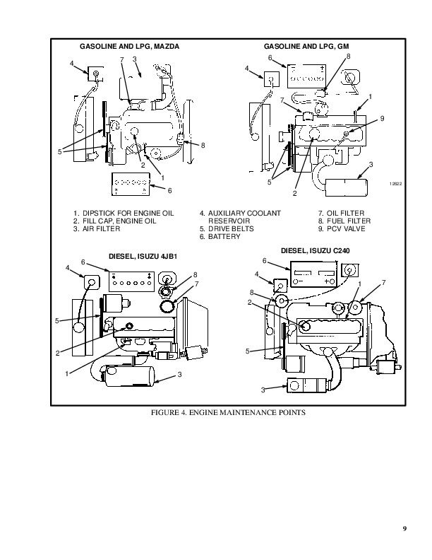
Engine Oil...432
Drive Belts...432
Cooling System...432
Battery...433
Fuel System...435
Air Filter...435
Hydraulic System Oil...435
Tires and Wheels...436
Forks...436
Forks, Adjustment...437
Forks, Removal And Installation...437
Inspection Of Forks, Mast, and Lift Chains...438
Safety Labels...439
Operator Restraint System...439
HOW TO MAKE CHECKS WITH THE ENGINE RUNNING...440
Gauges, Lights, Horn, and Fuses...440
Fuel Filter, Diesel Engine...441
How To Drain The Water From The Fuel Filter...441
Oil Level, Powershift Transmission...441
Control Levers and Pedals...441
Lift System Operation...441
Inching/Brake Pedal...442
Service Brakes...442
Parking Brake...442
Steering System...442
EVERY 250 HOURS OR TWO MONTHS...443
ENGINE OIL AND FILTER...443
Mazda, GM, And Later Production Isuzu Engines...443
Earlier Production Isuzu C240 Engines...443
GOVERNOR, MAZDA ENGINE...444
DRIVE BELTS...444
Mazda Engine...444
Isuzu, GM 4-181, And GM 4-153 Engines...444
BRAKE FLUID...445
HYDRAULIC TANK BREATHER, CLEAN AND CHECK...445
FORKS, CHECK FOR WEAR AND DAMAGE...445
LIFT CHAINS...445
Lubrication...445
Check For Wear...445
MAST, LUBRICATION...446
TIE ROD ENDS AND PIVOT SHAFT, STEERING AXLE...446
CONTROL LEVERS AND PEDALS, LUBRICATION...447
FUEL SYSTEM, CHECKS AND ADJUSTMENTS...447
Idle Speed, Diesel...447
LPG Carburetor...448
Gasoline Carburetor...448
EVERY 1000 HOURS OR SIX MONTHS...449
DIESEL FUEL FILTER...449
Filter Replacement, Models Without A Water Separator...450
Filter Replacement, Models With A Water Separator...450
Remove Air from the Diesel Fuel System...450
DIFFERENTIAL...451
VALVE CLEARANCE ADJUSTMENT...451
IGNITION SYSTEM, MAZDA AND GM ENGINES...451
PCV VALVE AND FILTER...453
EVERY 2000 HOURS OR YEARLY...453
HYDRAULIC SYSTEM...453
Replace the Hydraulic Oil and Filter...453
POWERSHIFT TRANSMISSION...453
COOLING SYSTEM...454
SERVICE BRAKES...454
DIFFERENTIAL...454
WHEEL BEARINGS...455
Steering Wheels, lubrication...455
Drive Wheels, Lubrication...455
GASOLINE FUEL FILTER, REPLACEMENT...455
PCV VALVE, GM ENGINES...455
LPG FILTER, REPLACEMENT...455
FILTER FOR THE FUEL INJECTION PUMP, MODEL PE4A...455
GENERAL PROCEDURES...456
CHECK THE HOOD LATCH...456
LIFT CHAIN ADJUSTMENTS...456
SAFETY PROCEDURES WHEN WORKING NEAR THE MAST...458
CHECK FOR LEAKS IN THE LIFT AND TILT SYSTEM...459
Check the Lift Cylinders for Leaks...459
Check the Tilt Cylinders for Leaks...459
FUEL INJECTORS...460
WELDING REPAIRS...460
CHANGES TO THE OVERHEAD GUARD...460
WHEELS AND TIRES...460
Solid Rubber Tires (Press-on)...460
Install The Wheels...461
Pneumatic Tires, Remove The Wheels From The Lift Truck...462
Pneumatic Tires, Remove the Tire From The Wheel...462
Pneumatic Tires, Install The Wheel In The Tire...463
Pneumatic Tires, Add Air To The Tires...464
Pneumatic Tires, Install the Wheels...465
Pneumatic Tires, Installation Procedures, Dual Drive Wheels...465
SOLID RUBBER TIRES THAT LOOK LIKE PNEUMATIC TIRES...466
Remove The Wheels From The Lift Truck...466
Remove The Tire From The Wheel...466
Install The Tire On The Wheel...467
REFERENCE TABLE...468
900129...469
THE CARBURETOR, (MAZDA M4-121G ENGINE)...469
DESCRIPTION...469
REPAIRS, CARBURETOR...470
Removal...470
Cleaning...473
Inspection...473
Assembly...473
Installation...475
CHECKS AND ADJUSTMENTS...475
Carburetor, Idle Speed And Mixture Adjustment...475
Adjust The Governor...476
ADJUST THE THROTTLE LINKAGE...477
SPECIFICATIONS...477
TROUBLESHOOTING...478
90015...480
THE LPG FUEL SYSTEM (IMPCO CA 50, CA 100)...480
GENERAL...480
DESCRIPTION...480
Fuel Tank...481
Fuel Filter And Fuel Valve Unit...482
Vaporizer...482
The IMPCO CA 100 Carbureto...484
IMPCO CA 50 Carburetor...486
The Governor (GM Engines Only)...487
Governor With Electronic Controller...488
REPAIRS...489
LPG TANK...489
Removal...489
Installation...490
REPLACE THE HOSES...490
HYDROSTATIC RELIEF VALVE...490
Removal and Installation...490
FILTER UNIT...491
Replacement Of the Fuel Filter Element...491
Replacement of the Diaphragm and Fuel Valve...492
VAPORIZER...492
Removal...492
Disassembly...492
Cleaning...492
Inspection...492
Assembly...494
Installation...494
CARBURETOR (IMPCO CA 100)...496
Removal...496
Disassembly...496
Cleaning...496
Assembly...496
Installation...499
CARBURETER (IMPCO CA 50)...498
Removal...498
Disassembly...498
Cleaning...499
Inspection...499
Assembly (See FIGURE 26.)...499
Installation...499
CHECKS AND ADJUSTMENTS...500
CHECK THE FILTER UNIT...500
CHECK THE VAPORIZER...500
Pressure Reducer Valve...500
Vapor Valve...500
ADJUST THE CARBURETOR...500
Idle Mixture...500
Idle Speed...500
Power Mixture...500
ADJUST THE GOVERNOR (GM Engines Only)...501
Checks...501
Main Adjusting Screw...501
Secondary Adjusting Screw...501
AISAN Governor...502
Adjustment, AISAN Governor...502
TROUBLESHOOTING...503
C001 (H25-35XL)...507
100218...508
INTRODUCTION...508
GENERAL...508
DESCRIPTION...508
REPAIRS...508
COUNTERWEIGHT...508
Removal...508
Installation...509
OVERHEAD GUARD...509
HOOD...509
Removal...509
Installation...509
OPERATOR RESTRAINT SYSTEM...510
ENGINE...510
Removal...510
Installation (Engine Only)...511
Installation (Engine and Transmission)...512
RADIATOR AND MUFFLER...512
Removal and Installation...512
FUEL AND HYDRAULIC TANKS...512
Inspection...512
Repairs...512
LABEL REPLACEMENT...514
1300255...517
...517
...518
...519
...520
...521
...522
...523
...524
...525
...526
...527
...528
...529
...530
...531
...532
...533
...534
...535
...536
...537
...538
...539
...540
...541
...542
...543
...544
1300256...545
...545
...546
...547
...548
...549
...550
...551
...552
...553
...554
...555
...556
...557
...558
...559
...560
...561
...562
...563
...564
...565
...566
...567
...568
...569
...570
...571
...572
...573
...574
...575
...576
...577
...578
...579
...580
...581
...582
...583
...584
...585
...586
...587
...588
...589
...590
...591
...592
...593
...594
...595
...596
130075...597
INTRODUCTION...597
General...597
DESCRIPTION AND OPERATION...597
General...597
Torque Converter...598
Description...598
Operation...598
Clutch Assemblies...600
Description...600
Operation...601
Hydraulic System...601
General...601
Oil Pump and Front Cover...602
Torque Converter Regulator...602
Oil Cooler By-Pass...602
Control Valve...602
General...602
Differential...607
Oil Flow Diagrams...608
Neutral...608
Forward...610
Forward-Inching...612
Reverse...614
13008...616
INTRODUCTION...616
General...616
Removal of The Transmission...616
Installation of the Transmission...616
REPAIRS...618
Torque Converter...618
Front Cover and Oil Pump...618
Clutch Assemblies...620
Differential...628
Control Valve...637
CHECKS AND ADJUSTMENTS...639
Stall Test...639
Adjusting the Direction Control Linkage...640
Adjusting the Brake and Inching Pedals...641
Checking the Oil Pressures...643
SPECIFICATIONS...645
TROUBLESHOOTING...645
1400219...648
INTRODUCTION...648
GENERAL...648
DESCRIPTION...648
REPAIRS...649
REMOVAL...649
CLEANING...649
INSPECTION...649
ASSEMBLY...649
TROUBLESHOOTING...651
160010...652
INTRODUCTION...652
DESCRIPTION...652
GENERAL...652
REPAIRS...653
STEERING AXLE...653
Removal...653
Installation...654
STEERING CYLINDER...654
Removal...654
Service...655
Installation...655
HUBS...655
Removal...655
Installation...656
SPINDLES...656
Removal...656
Installation...657
CHECKS AND ADJUSTMENTS...657
REMOVE THE AIR FROM THE STEERING SYSTEM...657
SET THE PRESSURE RELIEF VALVE...657
S/H1.25-1.75XL (S/H25-35XL) and H2.00-3.00XL (H40-60XL)...657
H2.00-3.00J (H40-60J) WITH OIL CLUTCH TRANSMISSION...657
H2.00-3.00J (H40-60J) With Powershift Transmission...657
TROUBLESHOOTING...659
160054...660
INTRODUCTION...660
GENERAL...660
DESCRIPTION...660
OPERATION...660
REPAIRS...660
STEERING WHEEL AND COLUMN ASSEMBLY...660
TYPE "A" STEERING COLUMN ASSEMBLY...662
Removal And Disassembly...662
Assembly And Installation...662
TYPE "A" STEERING COLUMN...663
TYPE "A" STEERING COLUMN...664
TYPE "B" STEERING COLUMN...665
Removal And Disassembly...665
Assembly And Installation...665
TYPE "B" STEERING COLUMN...666
Disassembly of Steering Control Unit...667
Cleaning of Steering Control Unit...667
Assembly of Steering Control Unit...669
CHECKS AND ADJUSTMENTS...672
REMOVE AIR FROM THE SYSTEM...672
TROUBLESHOOTING...673
1800221...674
INTRODUCTION...674
General...674
Description and Operation...674
REPAIRS...675
Removal and Disassembly...675
Cleaning...677
Inspection...677
Assembly and Installation...677
Master Cylinder...678
CHECKS AND ADJUSTMENTS...680
Adjusting The Service Brakes...680
Adjusting The Parking Brake...680
Removing Air From The Brake System...680
Adjusting The Brake Pedal and Inching Pedal...680
TROUBLESHOOTING...683
1900130...685
INTRODUCTION...685
GENERAL...685
DESCRIPTION...687
Hydraulic System...687
Gear Pump Assembly...687
Flow Control Valve...688
Relief Valve (Early Model)...688
Relief Valve (Later Model)...688
OPERATION...690
Hydraulic System...690
Gear Pump...690
Flow Control Valve...690
Relief Valve (Early Model)...690
Relief Valve (Later Model)...690
REPAIR...692
GEAR PUMP ASSEMBLY...692
Removal and Disassembly...692
Assembly and Installation...693
CHECKS AND ADJUSTMENTS...693
CHECK AND ADJUST STEERING RELIEF PRESSURE...693
CHECK GEAR PUMP FOR CORRECT FLOW...694
TROUBLESHOOTING...694
200077...696
INTRODUCTION...696
GENERAL...696
DESCRIPTION...696
OPERATION...697
Lift Section...698
Tilt Section...698
Relief Valve...700
SOLENOID VALVE FOR AUXILIARY FUNCTION...701
Operation...701
REPAIRS...701
MAIN CONTROL VALVE...701
Removal and Disassembly...701
Cleaning and Inspection...702
Assembly...702
Installation...702
SOLENOID VALVE FOR AUXILIARY FUNCTION...702
Removal and Disassembly...702
Assembly and Installation...704
CHECKS AND ADJUSTMENTS...704
PRESSURE RELIEF VALVES...704
Primary Relief Valve...704
Seconday Relief Valve...705
CONTROL LEVER ARRANGEMENT...705
TROUBLESHOOTING...708
SPECIFICATIONS...710
2100103...711
General...713
Description...713
Tilt Cylinder...713
Remove...713
Disassemble...713
Clean...713
Assemble...713
Tilt Cylinders with O-Ring or Single-Lip Seals...713
Tilt Cylinders for XM and XMS Models...715
Tilt Cylinders for H700-800A and Early Model H700-920B...716
Install...717
Tilt Cylinders Using Chevron Packing...718
Install...719
Tilt Cylinder Leak Check...721
Tilt Cylinder Stroke and Mast Tilt Angle Adjustment...722
Torque Specifications...722
Piston Rod Nut...722
Retainer...724
Troubleshooting...725
2200132...728
INTRODUCTION...728
GENERAL...728
DESCRIPTION...728
Starting System...728
Ignition System...728
Charging System...729
REPAIR...731
STARTER...731
Removal And Disassembly...731
Assembly And Installation...731
BALLAST RESISTOR RELAY (Earlier Production)...733
DISTRIBUTOR (Earlier Production With Contact Points)...733
Removal And Disassembly...733
Assembly And Installation...735
COIL REPLACEMENT...735
DISTRIBUTOR (Later Production with Electronic Ignition System)...735
Removal And Disassembly...735
Assembly And Installation...737
ALTERNATOR (All Models)...737
Removal And Disassembly...737
Assembly And Installation...738
REGULATOR REPLACEMENT (Earlier Production)...739
CHECKS AND ADJUSTMENTS...740
GENERAL...740
STARTER...740
Check Operation...740
Check Brush Length...741
Check Brush Holder...741
Armature...741
Field Windings...741
Clutch And Bearing...741
BALLAST RESISTOR RELAY (Earlier Production)...741
DISTRIBUTOR...742
Distributor Contact Clearance...742
SPARK PLUGS...743
COIL AND BALLAST RESISTOR (Earlier Production)...743
ALTERNATOR...743
Check For Low Output (Alternator With Separate Regulator)...743
Check For Low Output (Alternator With Integral Regulator)...745
Check For High Output (Alternator With Separate Regulator)...746
Check For High Output (Alternator With Integral Regulator)...746
Rotor Resistance (Alternator with Separate Regulator)...746
Diodes Circuit (Alternator with Separate Regulator)...747
Diode Assembly (Alternator With Separate Regulator)...747
Check The Diodes, Diode Trio (Alternator with Integral Regulator)...747
Check The Rectifier Bridge (Alternator with Integral Regulator)...748
Check Field Winding For The Rotor (All Alternators)...748
Check Windings In The Stator (All Alternators)...749
Brushes And Bearings...749
Check The Voltage Regulator (Alternator with Separate Regulator)...749
Check The Voltage Regulator (Alternator with Integral Regulator)...750
ADJUSTMENTS...750
TROBLESHOOTING...751
2200134...753
INTRODUCTION...753
GENERAL...753
DESCRIPTION...753
Starting System...753
Charging System...753
Vacuum Pump On Alternator (On Units With Brake Booster)...755
REPAIRS...756
STARTER...756
Removal And Disassembly...756
Assembly And Installation...756
REPLACING GLOW PLUGS...758
ALTERNATOR (With Vaccum Pump)...758
Removal And Disassembly...758
Cleaning...760
Assembly And Installation...760
ALTERNATOR (Without Vacuum Pump)...761
Removal And Disassembly...761
Cleaning...763
Assembly And Installation...763
REGULATOR REPLACEMENT...764
CHECKS...764
GENERAL...764
STARTER...764
Starter Operation...764
Solenoid Coil Checks...765
Brush Length...765
Brush Holder...765
Armature...765
Field Windings...766
Clutch And Bearings...766
COLD START AID...766
Glow Plugs...766
Resistor...766
CHARGING CIRCUIT...766
Check For Low Output...766
Check Ford High Output...768
ALTERNATOR...768
Rotor Resistance...768
Diodes Circuit...768
Rotor Coil...769
Stator Coil...769
Diode Assembly...769
Brushes And Bearings...770
REGULATOR (At Hydraulic Tank)...770
TROUBLESHOOTING...771
2200143...774
INTRODUCTION...774
GENERAL...774
DESCRIPTION...774
GENERAL...774
STEERING COLUMN GAUGES, METERS AND INDICATORS...777
LED DISPLAY PANEL...777
Battery Discharge Indicators...777
Brush Wear Indicators...778
Motor Temperature Indicators...779
"LX" SERIES DISPLAY PANEL...780
Hourmeter Functions...781
Battery Indicator Function...781
Status Code Function...781
"ZX" SERIES DISPLAY PANELS...781
Display Panel...782
Basic Display Panels...782
Performance Display...784
Brush Wear Indicators...787
CHECKS AND ADJUSTMENTS...787
GENERAL...787
REPLACEMENT...788
GENERAL...788
METER REPLACEMENT...788
SENDER REPLACEMENT...789
Fuel Level Sender...789
Pressure And Temperature Sender...789
I.T.W. DISPLAY PANEL...790
Removal...790
DISPLAY PANELS FOR THE EV - 100/200ZX MOTOR CONTROLLERS, COLUMN MOUNT...791
Removal...791
Replacing Display Panel Assembly...791
Indicator LEDs...791
Battery Indicators...791
Digital Display (Performance Disply Panel Only)...791
Status Code Or Performance Level Switches And Indicator LEDs (Performance Display Panel Only)...791
Replacing Parts Of The Basic Display Panel...792
Replacing Parts Of The Performance Display Panel...794
DISPLAY PANELS FOR THE EV-100/200ZX MOTOR CONTROLLERS, DASH MOUNT...794
Removal And Replacement...794
SPECIFICATIONS...795
TROUBLESHOOTING...796
2200144...797
ELECTRICAL WARNING DEVICES...797
GENERAL...797
DESCRIPTION...797
Operator Controlled Horns...797
System Warning Lights, Buzzers and Bells...797
Reverse Warning Horns...798
Warning Lights...798
REPLACEMENT...799
General...799
Replacing Horns or Bells...799
Replacing Horn Relay or Buzzer...799
Replacing Warning Lights...799
Light Assemblies...800
Replacing Flashing Units...800
4000135...801
Safety Procedures When Working Near Mast...803
General...808
Description...808
Lowering Control Valve...808
Cylinders (General)...811
Cylinders (H520-620B, H700-800A)...811
Retainer, Install...811
Cylinders (H360-460B)...813
Cylinders (Two-Speed)...816
Lift Cylinder Repair...817
Lift Cylinder Removal Without Removing Mast...817
Standard Masts With Main Lift Cylinders Fastened to Crossmember of Inner Mast...817
Standard and Full Free-Lift Masts With Lift Cylinder Fastened to Crosshead...818
Masts That Have Two Cylinders, Main Lift Cylinder and Free-Lift Cylinder...819
Disasemble...819
Assemble...819
Lift Cylinder Installation in Mast...821
Standard Masts With Main Lift Cylinder Fastened to Crossmember of Inner Mast...821
Standard and Full Free-Lift Masts With Lift Cylinder Fastened to Crosshead...821
Chevron-Style Packing...821
Chevron-Style Packing Installation on Piston...822
Chevron-Style Packing Installation in Packing Gland...824
Lift Cylinders for Vista Masts...825
Description...825
Lowering Control Valve...825
Remove...827
Disassemble...828
Assemble...829
Install...830
Main Lift Cylinders...830
Free-Lift Cylinder...830
Lift System Leak Check...830
Specifications...831
Troubleshooting...832
4000222...835
INTRODUCTION...835
GENERAL...835
MAST WELDMENTS...835
CARRIAGE...835
MAST MOUNTS...836
VISTA® TWO-STAGE MAST...837
DESCRIPTION AND OPERATION...837
VISTA® FREE-LIFT MAST...839
DESCRIPTION...839
OPERATION...839
VISTA® THREE-STAGE MAST...841
DESCRIPTION...841
OPERATION...841
VISTA® FOUR-STAGE MAST...842
DESCRIPTION...842
OPERATION...843
4000223...845
VISTA MAST, REPAIR...845
GENERAL...845
SAFETY PROCEDURES WHEN WORKING NEAR THE MAST...845
FORKS...846
Forks, Removal And Installation...846
CARRIAGE...847
Removal...847
Installation...848
MASTS...848
Removal...848
Disassembly...849
Cleaning and Inspection...854
Assembly...854
Installation...858
SIDE-SHIFT CARRIAGE (EARLIER DESIGN)...859
Removal...859
Repairs...859
Installation...859
SIDE-SHIFT CARRIAGE (1993 AND LATER DESIGN)...860
Removal...860
Repairs...860
Installation...861
CHECKS AND ADJUSTMENTS...862
CHECK FOR LEAKS IN THE LIFT AND TILT SYSTEM...862
ADJUST THE TILT CYLINDER STROKE AND THE BACKWARD TILT ANGLE...863
LIFT CHAIN ADJUSTMENTS...864
MAST ADJUSTMENTS...864
CARRIAGE ADJUSTMENT...866
HEADER HOSE ARRANGEMENTS...866
Two-Stage Header Hose...867
Header Hoses For Free-Lift, Three-Stage, and Four Stage Masts...867
TROUBLESHOOTING...872
60066...873
MAZDA M4-121G ENGINE...873
GENERAL...873
DESCRIPTION...874
REMOVAL AND INSTALLATION OF THE ENGINE...874
CYLINDER HEAD AND VALVE MECHANISM...874
Cylinder Head, Removal...874
Cylinder Head, Inspection and Repairs...875
Rocker Arm Assembly...875
Valve Guides...875
Valve Seats...876
Valves...876
Valve Springs...876
Cylinder Head, Installation...876
TIMING GEAR CASE, REMOVAL...877
TIMING GEAR CASE, INSTALLATION...878
CAMSHAFT...878
Removal...878
Inspection...879
Cam Followers, Inspection...879
Installation...879
CRANKSHAFT AND MAIN BEARINGS...879
Crankshaft, Removal...879
Crankshaft, Inspection And Repair...880
Main Bearings...881
Crankshaft, Installation...881
PISTONS AND CONNECTING RODS...882
Removal...882
Disassembly...882
Pistons, Inspection And Repair...882
Piston Rings...883
Piston Pin and Bushing...883
Connecting Rods and Bearings, Inspection...883
Pistons and Connecting Rods, Assembly...883
Pistons and Connecting Rods, Installation...884
CYLINDER BLOCK AND CYLINDER LINERS...884
Cylinder Block, Repairs...884
Cylinder Liners...884
DISTRIBUTOR...885
Removal...885
Installation...885
OIL PUMP...887
Removal...887
Repairs...887
Installation...888
GOVERNOR...888
Description...888
Removal...888
Disassembly...889
Assembly...890
Installation...891
COOLANT PUMP...891
Removal...891
Disassembly and Repair...892
Assembly...892
Installation...893
FLYWHEEL...893
Repairs...893
Installation...893
CHECKS AND ADJUSTMENTS...893
ADJUST THE VALVES...893
ADJUST THE THROTTLE LINKAGE...894
ENGINE SPECIFICATIONS...894
ENGINE SPECIFICATIONS...894
Engine Data...894
Cooling System...894
Cylinder Head and Valve Mechanism...894
Camshaft...896
Timing Gear...897
Camshaft...897
Connecting Rods...897
Cylinder Liners...897
Pistons...897
Lubrication System...898
Fuel Pump...898
TORQUE SPECIFICATIONS...899
TROUBLESHOOTING...900
60070...904
INTRODUCTION ...904
GENERAL ...904
DESCRIPTION ...904
FUEL SYSTEM ...905
Description ...905
Operation, Fuel Injection Pump, Model VE ...907
Operation, Fuel Injection Pump, Model PE4A ...908
Pneumatic Governor For Fuel Injection Pump, Model PE4A ...909
Inlet Manifold For Fuel Injection Pump, Model PE4A ...910
REPAIRS ...911
FUEL INJECTION PUMP (ALL MODELS) ...911
Removal ...911
Installation ...911
REMOVAL AND INSTALLATION OF THE ENGINE ...911
CYLINDER HEAD AND VALVE MECHANISM ...911
Cylinder Head, Removal ...911
Valve Guides, Replacement ...912
Cylinder Head, Inspection And Repair ...913
Combustion Chamber Plugs, Inspection And Repair ...913
Combustion Chamber Plugs, Installation ...913
Valves, Inspection And Repair ...914
Valve Seat, Inspection ...914
Valve Seat, Removal ...915
Valve Seat, Installation ...915
Valve Spring, Inspection ...915
Rocker Arms, Inspection And Assembly ...915
Installation Of The Cylinder Head ...916
TIMING GEAR CASE ...917
Removal ...917
Installation ...917
CAMSHAFT ...919
Removal ...919
Inspection ...919
Camshaft Bearings ...920
Cam Followers ...920
CAMSHAFT, INSTALLATION ...920
CRANKSHAFT AND MAIN BEARINGS ...921
Crankshaft, Removal ...921
Crankshaft, Inspection And Repair ...921
Main Bearings ...921
Pilot Bearing ...922
Crankshaft, Installation ...922
FLYWHEEL AND RING GEAR, H2.00–3.20XM (H40–65XM) ...924
Flywheel, Removal ...924
Ring Gear, Replacement ...924
Flywheel, Installation ...924
PISTONS AND CONNECTING RODS ...925
Pistons And Connecting Rods, Removal ...925
Disassembly ...925
Pistons, Inspection And Repair ...926
Piston Rings, Inspection And Repair ...926
Piston Pins, Inspection And Repair ...927
Connecting Rods, Inspection And Repair ...928
Pistons And Connecting Rods, Assembly And Installation ...928
CYLINDER BLOCK AND CYLINDER LINERS ...928
Cylinder Liners, Inspection ...928
Replacement Of A Cylinder Liner ...929
LUBRICATION SYSTEM ...930
Oil Pump, Removal And Disassembly ...930
Oil Pump, Inspection ...930
Oil Pump, Assembly And Installation ...931
Oil Filter ...931
COOLING SYSTEM ...932
Coolant Pump, Removal ...932
Coolant Pump, Disassembly ...932
Coolant Pump, Assembly And Installation ...932
Thermostat, Replacement ...933
CHECKS AND ADJUSTMENTS ...933
VALVE CLEARANCE ADJUSTMENT ...933
CHECK THE TIMING OF THE FUEL INJECTION PUMP, MODEL VE ...934
CHECK THE TIMING OF THE FUEL INJECTION PUMP, MODEL PE4A ...935
FUEL INJECTORS ...935
Fuel Injectors, Removal ...936
Fuel Injectors, Inspection ...936
Fuel Injectors, Installation ...937
DIESEL FUEL FILTERS ...937
Filter Replacement, Models With A Water Separator ...937
Filter Replacement, Models Without A Water Separator ...938
Filter For The Fuel Injection Pump, Model PE4A ...938
REMOVE AIR FROM THE FUEL SYSTEM ...938
Throttle Linkage, Adjustment ...939
Idle Speed, Adjustment ...939
Check The Elements For The Cold Start Aid System ...939
ENGINE SPECIFICATIONS ...939
TORQUE SPECIFICATIONS ...941
700626...942
General...944
Description...945
Radiator...945
Radiator Cap...945
Thermostat...945
Water Pump...946
Fan and Fan Shroud...946
Cooling System Checks...946
Radiator...946
Thermostat...946
Water Pump...947
Exhaust Leaks...947
Fan and Fan Shroud...947
Radiator Cleaning...947
Drain...947
Clean...947
Fill...948
Troubleshooting...949
8000225...951
8000231...956
General...958
Nomenclature, Threads...958
Strength Identification...959
Fastener Torque Tables...963
Conversion Table...965
8000259...967
PERIODIC MAINTENANCE...967
GENERAL...967
Serial Number Data...967
HOW TO MOVE A DISABLED LIFT TRUCK...968
How To Tow the Lift Truck...968
HOW TO PUT A LIFT TRUCK ON BLOCKS...968
How To Raise the Drive Tires...968
How To Raise the Steering Tires...969
MAINTENANCE PROCEDURES...973
EVERY 8 HOURS OR DAILY...973
HOW TO MAKE CHECKS WITH THE ENGINE STOPPED...973
Engine Oil...973
Drive Belts...973
Cooling System...973
Battery...974
Fuel System...976
Air Filter...976
Hydraulic System Oil...976
Tires and Wheels...977
Forks...977
Forks, Adjustment...978
Forks, Removal And Installation...978
Inspection Of Forks, Mast, and Lift Chains...979
Safety Labels...980
Operator Restraint System...980
HOW TO MAKE CHECKS WITH THE ENGINE RUNNING...981
Gauges, Lights, Horn, and Fuses...981
Fuel Filter, Diesel Engine...982
How To Drain The Water From The Fuel Filter...982
Oil Level, Powershift Transmission...982
Control Levers and Pedals...982
Lift System Operation...982
Inching/Brake Pedal...983
Service Brakes...983
Parking Brake...983
Steering System...983
EVERY 250 HOURS OR TWO MONTHS...984
ENGINE OIL AND FILTER...984
Mazda, GM, And Later Production Isuzu Engines...984
Earlier Production Isuzu C240 Engines...984
GOVERNOR, MAZDA ENGINE...985
DRIVE BELTS...985
Mazda Engine...985
Isuzu, GM 4-181, And GM 4-153 Engines...985
BRAKE FLUID...986
HYDRAULIC TANK BREATHER, CLEAN AND CHECK...986
FORKS, CHECK FOR WEAR AND DAMAGE...986
LIFT CHAINS...986
Lubrication...986
Check For Wear...986
MAST, LUBRICATION...987
TIE ROD ENDS AND PIVOT SHAFT, STEERING AXLE...987
CONTROL LEVERS AND PEDALS, LUBRICATION...988
FUEL SYSTEM, CHECKS AND ADJUSTMENTS...988
Idle Speed, Diesel...988
LPG Carburetor...989
Gasoline Carburetor...989
EVERY 1000 HOURS OR SIX MONTHS...990
DIESEL FUEL FILTER...990
Filter Replacement, Models Without A Water Separator...991
Filter Replacement, Models With A Water Separator...991
Remove Air from the Diesel Fuel System...991
DIFFERENTIAL...992
VALVE CLEARANCE ADJUSTMENT...992
IGNITION SYSTEM, MAZDA AND GM ENGINES...992
PCV VALVE AND FILTER...994
EVERY 2000 HOURS OR YEARLY...994
HYDRAULIC SYSTEM...994
Replace the Hydraulic Oil and Filter...994
POWERSHIFT TRANSMISSION...994
COOLING SYSTEM...995
SERVICE BRAKES...995
DIFFERENTIAL...995
WHEEL BEARINGS...996
Steering Wheels, lubrication...996
Drive Wheels, Lubrication...996
GASOLINE FUEL FILTER, REPLACEMENT...996
PCV VALVE, GM ENGINES...996
LPG FILTER, REPLACEMENT...996
FILTER FOR THE FUEL INJECTION PUMP, MODEL PE4A...996
GENERAL PROCEDURES...997
CHECK THE HOOD LATCH...997
LIFT CHAIN ADJUSTMENTS...997
SAFETY PROCEDURES WHEN WORKING NEAR THE MAST...999
CHECK FOR LEAKS IN THE LIFT AND TILT SYSTEM...1000
Check the Lift Cylinders for Leaks...1000
Check the Tilt Cylinders for Leaks...1000
FUEL INJECTORS...1001
WELDING REPAIRS...1001
CHANGES TO THE OVERHEAD GUARD...1001
WHEELS AND TIRES...1001
Solid Rubber Tires (Press-on)...1001
Install The Wheels...1002
Pneumatic Tires, Remove The Wheels From The Lift Truck...1003
Pneumatic Tires, Remove the Tire From The Wheel...1003
Pneumatic Tires, Install The Wheel In The Tire...1004
Pneumatic Tires, Add Air To The Tires...1005
Pneumatic Tires, Install the Wheels...1006
Pneumatic Tires, Installation Procedures, Dual Drive Wheels...1006
SOLID RUBBER TIRES THAT LOOK LIKE PNEUMATIC TIRES...1007
Remove The Wheels From The Lift Truck...1007
Remove The Tire From The Wheel...1007
Install The Tire On The Wheel...1008
REFERENCE TABLE...1009
900129...1010
THE CARBURETOR, (MAZDA M4-121G ENGINE)...1010
DESCRIPTION...1010
REPAIRS, CARBURETOR...1011
Removal...1011
Cleaning...1014
Inspection...1014
Assembly...1014
Installation...1016
CHECKS AND ADJUSTMENTS...1016
Carburetor, Idle Speed And Mixture Adjustment...1016
Adjust The Governor...1017
ADJUST THE THROTTLE LINKAGE...1018
SPECIFICATIONS...1018
TROUBLESHOOTING...1019
90015...1021
THE LPG FUEL SYSTEM (IMPCO CA 50, CA 100)...1021
GENERAL...1021
DESCRIPTION...1021
Fuel Tank...1022
Fuel Filter And Fuel Valve Unit...1023
Vaporizer...1023
The IMPCO CA 100 Carbureto...1025
IMPCO CA 50 Carburetor...1027
The Governor (GM Engines Only)...1028
Governor With Electronic Controller...1029
REPAIRS...1030
LPG TANK...1030
Removal...1030
Installation...1031
REPLACE THE HOSES...1031
HYDROSTATIC RELIEF VALVE...1031
Removal and Installation...1031
FILTER UNIT...1032
Replacement Of the Fuel Filter Element...1032
Replacement of the Diaphragm and Fuel Valve...1033
VAPORIZER...1033
Removal...1033
Disassembly...1033
Cleaning...1033
Inspection...1033
Assembly...1035
Installation...1035
CARBURETOR (IMPCO CA 100)...1037
Removal...1037
Disassembly...1037
Cleaning...1037
Assembly...1037
Installation...1040
CARBURETER (IMPCO CA 50)...1039
Removal...1039
Disassembly...1039
Cleaning...1040
Inspection...1040
Assembly (See FIGURE 26.)...1040
Installation...1040
CHECKS AND ADJUSTMENTS...1041
CHECK THE FILTER UNIT...1041
CHECK THE VAPORIZER...1041
Pressure Reducer Valve...1041
Vapor Valve...1041
ADJUST THE CARBURETOR...1041
Idle Mixture...1041
Idle Speed...1041
Power Mixture...1041
ADJUST THE GOVERNOR (GM Engines Only)...1042
Checks...1042
Main Adjusting Screw...1042
Secondary Adjusting Screw...1042
AISAN Governor...1043
Adjustment, AISAN Governor...1043
TROUBLESHOOTING...1044
Hyster C001 (H1.25-1.75XL Europe & H25-35XL) Repair Service Manuals





